LEMON Manuals: Even more car manuals for everyone: 1960-2025
Home >> Lexus >> 2019 >> LC 500h >> Repair and Diagnosis >> Engine Performance >> Testing & Diagnosis >> Engine Control System - Diagnostics - Introduction (1 Of 4) >> SFI System >> System Diagram [01/2017 - 04/2020] >> System Diagram [01/2017 - 04/2020]
April 5, 2026: LEMON Manuals is launched! Read the announcement.

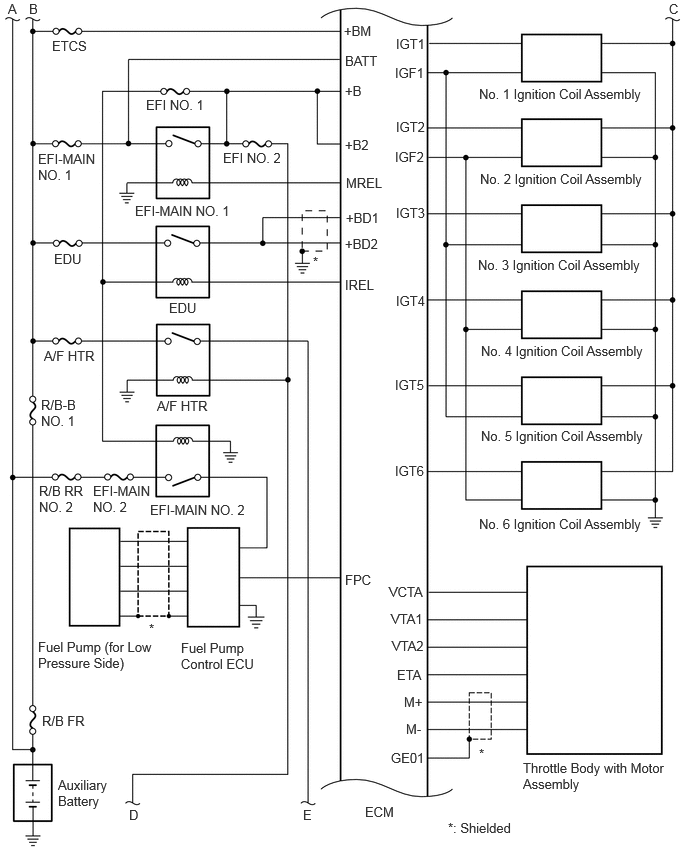
System Diagram [01/2017 - 04/2020]

GTY785749Courtesy of © TOYOTA, LICENSE AGREEMENT TMS1002
GTY791764Courtesy of © TOYOTA, LICENSE AGREEMENT TMS1002
GTY797341Courtesy of © TOYOTA, LICENSE AGREEMENT TMS1002
GTY806021Courtesy of © TOYOTA, LICENSE AGREEMENT TMS1002
GTY812684Courtesy of © TOYOTA, LICENSE AGREEMENT TMS1002