LEMON Manuals: Even more car manuals for everyone: 1960-2025
Home >> Lexus >> 2019 >> LS 500 Base, AWD >> Repair and Diagnosis >> Accessories & Equipment >> Communication Devices >> CXPI Communication System - Diagnostics - Introduction >> CXPI Communication System >> System Diagram [12/2017 - 10/2023] >> System Diagram [12/2017 - 10/2023]
April 5, 2026: LEMON Manuals is launched! Read the announcement.

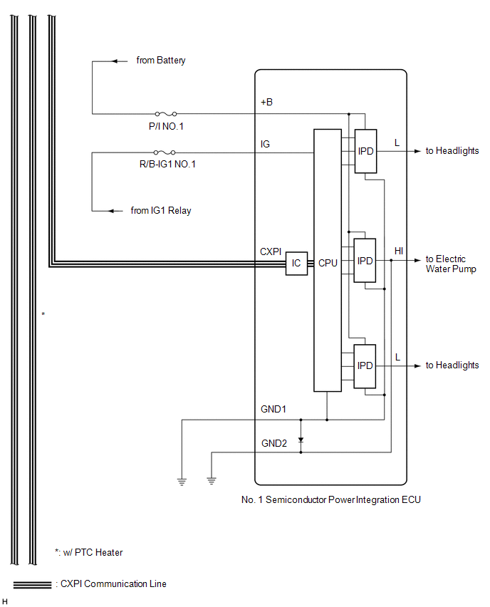
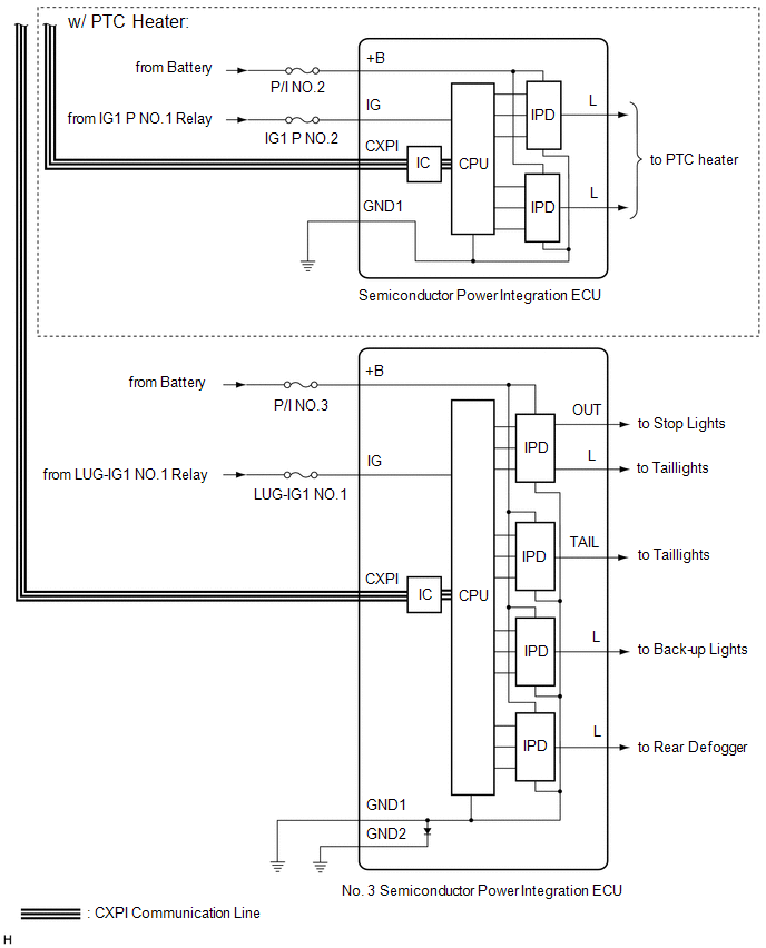
System Diagram [12/2017 - 10/2023]

GTY792298Courtesy of © TOYOTA, LICENSE AGREEMENT TMS1002
GTY812003Courtesy of © TOYOTA, LICENSE AGREEMENT TMS1002
GTY818711Courtesy of © TOYOTA, LICENSE AGREEMENT TMS1002