LEMON Manuals: Even more car manuals for everyone: 1960-2025
Home >> Lexus >> 2019 >> LS 500 Base, RWD >> Repair and Diagnosis >> Body & Frame >> Windows >> Power Window Control System - Diagnostic Codes & Symptom Tests >> Power Window Control System >> Rear Power Window RH does not Operate with Rear Power Window Switch RH [12/2017 - 10/2023] >> Wiring Diagram
April 5, 2026: LEMON Manuals is launched! Read the announcement.

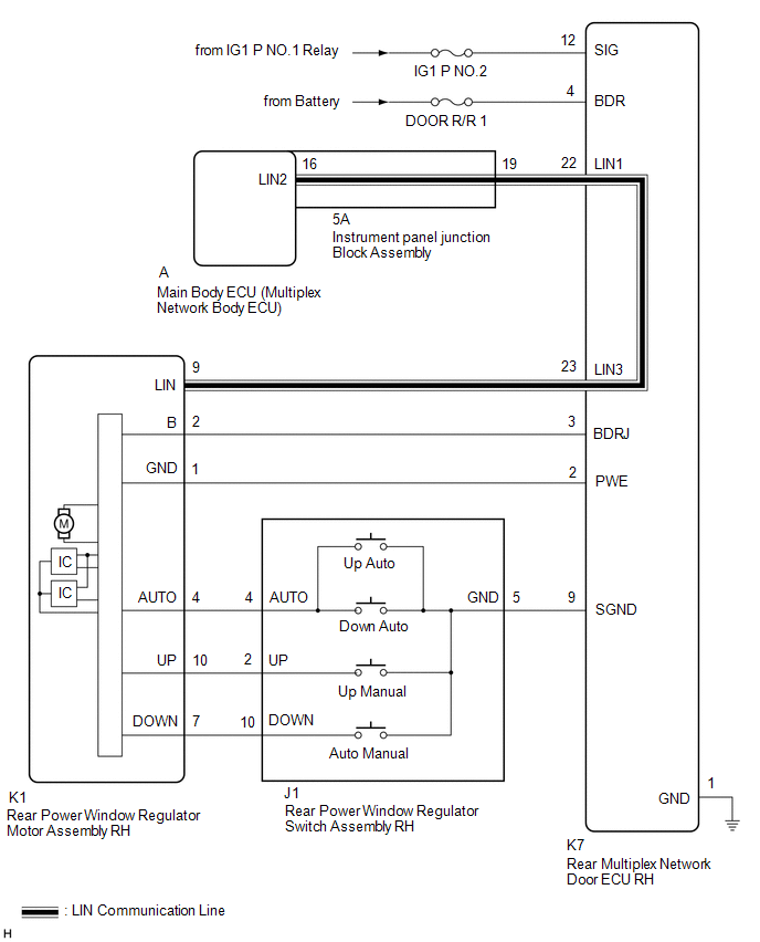
Rear Power Window RH does not Operate with Rear Power Window Switch RH [12/2017 - 10/2023]: Wiring Diagram

GTY800926Courtesy of © TOYOTA, LICENSE AGREEMENT TMS1002