LEMON Manuals: Even more car manuals for everyone: 1960-2025
Home >> Lexus >> 2019 >> NX 300 Base, AWD >> Repair and Diagnosis >> Body & Frame >> Door Locks >> Smart Access System (W/ Push Button (For Entry Function)) - Diagnostics - Introduction >> SMART ACCESS SYSTEM WITH PUSH-BUTTON START (For Entry Function) >> System Diagram [09/2017 - 01/2019] >> System Diagram [09/2017 - 01/2019]
April 5, 2026: LEMON Manuals is launched! Read the announcement.

System Diagram [09/2017 - 01/2019]

  1. CERTIFICATION ECU (SMART KEY ECU ASSEMBLY) 
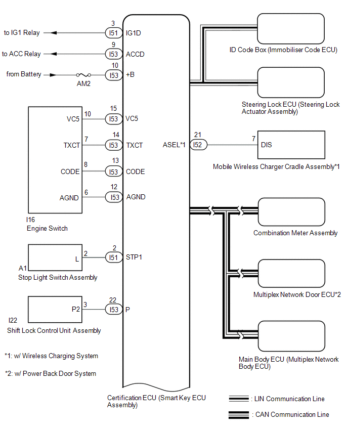
    Fig 1: Certification ECU (Smart Key ECU Assembly) System Diagram (1 Of 2)
    GTY783525Courtesy of © TOYOTA, LICENSE AGREEMENT TMS1002
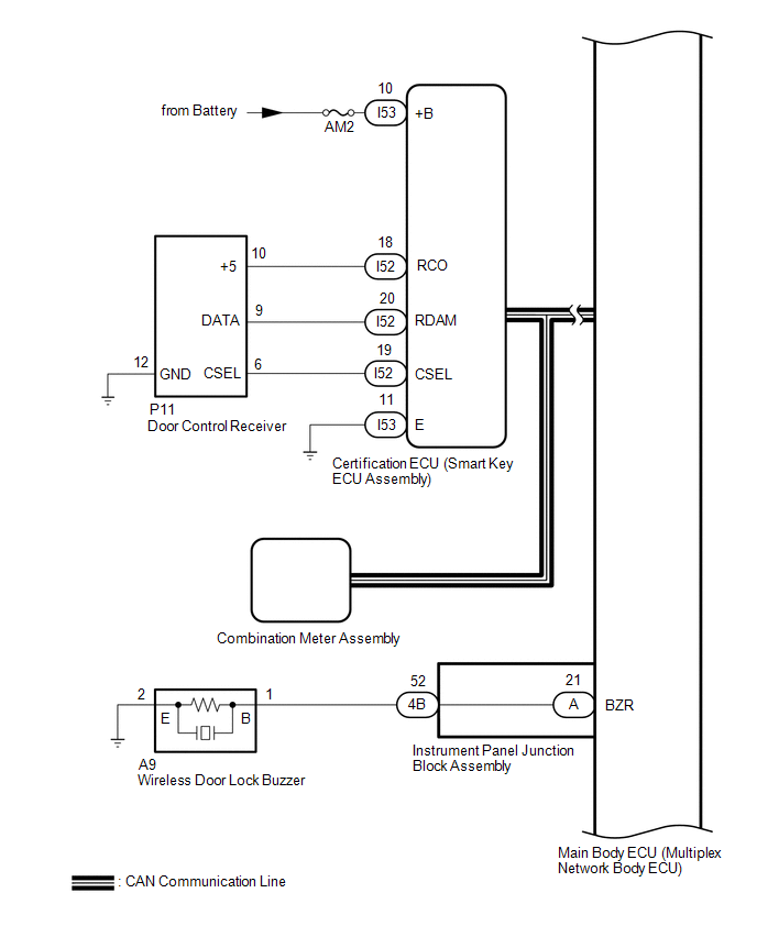
    Fig 2: Certification ECU (Smart Key ECU Assembly) System Diagram (2 Of 2)
    GTY519398Courtesy of © TOYOTA, LICENSE AGREEMENT TMS1002
    Component Function
    Front door outside handle assembly Receives request signals from the certification ECU (smart key ECU assembly) via the built-in electrical key antenna (front door) and forms the vehicle exterior detection area.
    Uses the built-in touch sensor (lock sensor/unlock sensor) to detect the operation of the front door outside handle assembly and sends signals to the certification ECU (smart key ECU assembly).
    Rear door outside handle assembly Receives request signals from the certification ECU (smart key ECU assembly) via the built-in electrical key antenna (rear door) and forms the vehicle exterior detection area.
    Uses the built-in touch sensor (lock sensor/unlock sensor) to detect the operation of the rear door outside handle assembly and sends signals to the certification ECU (smart key ECU assembly).
    No. 1 indoor electrical key antenna assembly (front floor)
    No. 2 indoor electrical key antenna assembly (rear floor)
    No. 3 indoor electrical key antenna assembly (inside luggage)
    Receives the request code from the certification ECU (smart key ECU assembly) and forms the vehicle interior detection area.
    Electrical key antenna (outside luggage compartment) Receives the request code from the certification ECU (smart key ECU assembly) and forms the back door exterior detection area.
    Back door opener switch assembly Sends switch operation signals to the certification ECU (smart key ECU assembly).
    Door control receiver Receives the smart access system with push-button start code/wireless code sent from the electrical key transmitter sub-assembly and sends it to the certification ECU (smart key ECU assembly).
    Wireless door lock buzzer Sounds when warning functions operate in accordance with certification ECU (smart key ECU assembly) control.
    Electrical key transmitter sub-assembly Sends the ID code upon receiving a request signal.
    Certification ECU (smart key ECU assembly) Sends request codes to each electrical key antenna.
    Distinguishes and verifies the ID code from the electrical key transmitter sub-assembly and sends signals to each ECU in response to operated functions (controls entire system).
    Performs encryption code communication with the ID code box (immobiliser code ECU) when ignition operations are performed.
  2. Wireless Door Lock Control System 
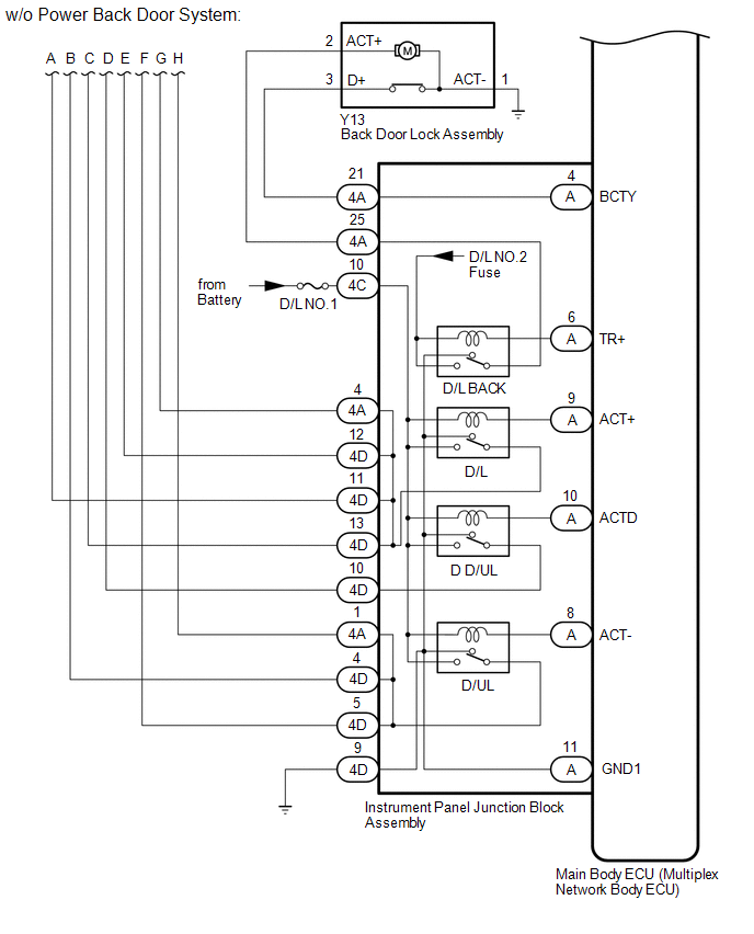
    Fig 3: Wireless Door Lock Control System Wiring Diagram (1 Of 5)
    GTY643646Courtesy of © TOYOTA, LICENSE AGREEMENT TMS1002
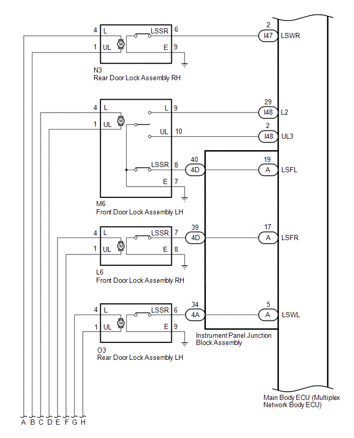
    Fig 4: Wireless Door Lock Control System Wiring Diagram (2 Of 5)
    GTY497221Courtesy of © TOYOTA, LICENSE AGREEMENT TMS1002
    Fig 5: Wireless Door Lock Control System Wiring Diagram (3 Of 5)
    GTY501517Courtesy of © TOYOTA, LICENSE AGREEMENT TMS1002
    Fig 6: Wireless Door Lock Control System Wiring Diagram (4 Of 5)
    GTY641938Courtesy of © TOYOTA, LICENSE AGREEMENT TMS1002
    Fig 7: Wireless Door Lock Control System Wiring Diagram (5 Of 5)
    GTY507862Courtesy of © TOYOTA, LICENSE AGREEMENT TMS1002
  3. Power Back Door System (w/ Power Back Door System) 
    Fig 8: Power Back Door System (W/ Power Back Door System) Wiring Diagram
    GTY789502Courtesy of © TOYOTA, LICENSE AGREEMENT TMS1002