LEMON Manuals: Even more car manuals for everyone: 1960-2025
Home >> Lexus >> 2019 >> NX 300 Base, FWD >> Repair and Diagnosis >> Body & Frame >> Door Locks >> Wireless Door Lock Control System - Diagnostics - Introduction >> Wireless Door Lock Control System >> System Diagram [09/2016 - 05/2019] >> System Diagram [09/2016 - 05/2019]
April 5, 2026: LEMON Manuals is launched! Read the announcement.

System Diagram [09/2016 - 05/2019]

  1. Wireless Door Lock Control System 
    Fig 1: Wireless Door Lock Control System Wiring Diagram (1 Of 5)
    GTY514075Courtesy of © TOYOTA, LICENSE AGREEMENT TMS1002
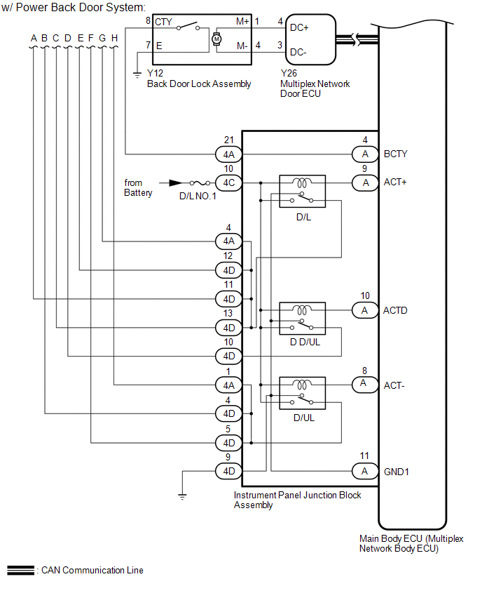
    Fig 2: Wireless Door Lock Control System Wiring Diagram (2 Of 5)
    GTY497221Courtesy of © TOYOTA, LICENSE AGREEMENT TMS1002
    Fig 3: Wireless Door Lock Control System Wiring Diagram (3 Of 5)
    GTY501517Courtesy of © TOYOTA, LICENSE AGREEMENT TMS1002
    Fig 4: Wireless Door Lock Control System Wiring Diagram (4 Of 5)
    GTY641940Courtesy of © TOYOTA, LICENSE AGREEMENT TMS1002
    Fig 5: Wireless Door Lock Control System Wiring Diagram (5 Of 5)
    GTY507862Courtesy of © TOYOTA, LICENSE AGREEMENT TMS1002