LEMON Manuals: Even more car manuals for everyone: 1960-2025
Home >> Lexus >> 2019 >> RC 350 Base, RWD >> Repair and Diagnosis >> Suspension >> Suspension Control Systems >> Adaptive Variable Suspension System - Diagnostics - Introduction >> Adaptive Variable Suspension System >> System Diagram [09/2014 - 10/2015] >> System Diagram [09/2014 - 10/2015]
April 5, 2026: LEMON Manuals is launched! Read the announcement.

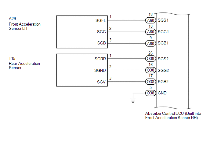
System Diagram [09/2014 - 10/2015]

GTY516194Courtesy of © TOYOTA, LICENSE AGREEMENT TMS1002
GTY521517Courtesy of © TOYOTA, LICENSE AGREEMENT TMS1002
GTY514671Courtesy of © TOYOTA, LICENSE AGREEMENT TMS1002