LEMON Manuals: Even more car manuals for everyone: 1960-2025
Home >> Lexus >> 2019 >> RX 450h Base >> Repair and Diagnosis >> Body & Frame >> Windows >> Power Window Control System (Diagnostic Codes & Symptom Tests) >> Power Window Control System >> Symptom Tests >> Front Passenger Side Power Window does not Operate with Front Passenger Side Power Window Switch [10/2015 - ] >> Wiring Diagram
April 5, 2026: LEMON Manuals is launched! Read the announcement.

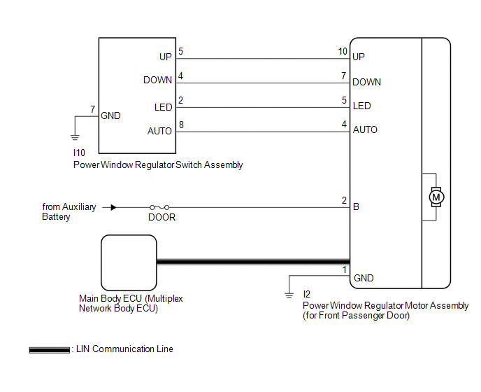
Front Passenger Side Power Window does not Operate with Front Passenger Side Power Window Switch [10/2015 - ]: Wiring Diagram

GTY558752Courtesy of © TOYOTA, LICENSE AGREEMENT TMS1002