LEMON Manuals: Even more car manuals for everyone: 1960-2025
Home >> Lexus >> 2019 >> RX 450hL >> Repair and Diagnosis >> Body & Frame >> Door Locks >> Power Door Lock Control System (Diagnostics - Introduction) >> Power Door Lock Control System >> System Diagram [10/2015 - 08/2019] >> System Diagram [10/2015 - 08/2019]
April 5, 2026: LEMON Manuals is launched! Read the announcement.

System Diagram [10/2015 - 08/2019]

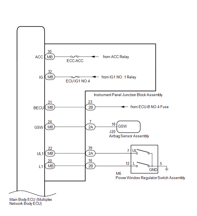
Fig 1: Power Door Lock Control System Diagram [10/2015 - 08/2019] (1 Of 5)
GTY647412Courtesy of © TOYOTA, LICENSE AGREEMENT TMS1002
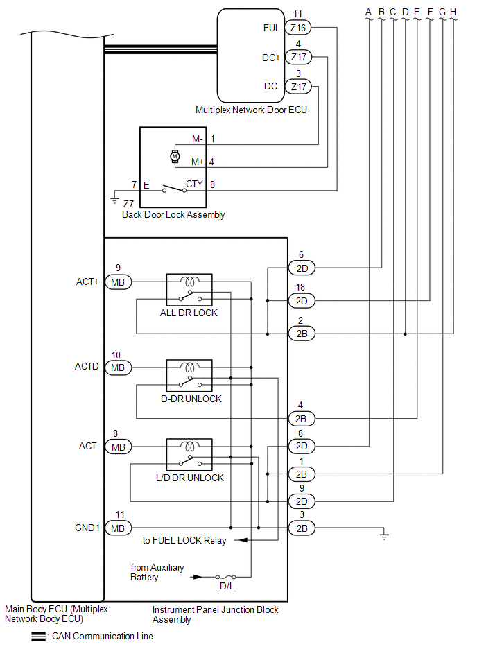
Fig 2: Power Door Lock Control System Diagram [10/2015 - 08/2019] (2 Of 5)
GTY685389Courtesy of © TOYOTA, LICENSE AGREEMENT TMS1002
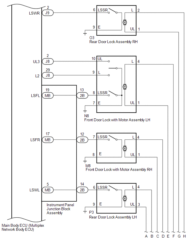
Fig 3: Power Door Lock Control System Diagram [10/2015 - 08/2019] (3 Of 5)
GTY631451Courtesy of © TOYOTA, LICENSE AGREEMENT TMS1002
Fig 4: Power Door Lock Control System Diagram [10/2015 - 08/2019] (4 Of 5)
GTY666586Courtesy of © TOYOTA, LICENSE AGREEMENT TMS1002
Fig 5: Power Door Lock Control System Diagram [10/2015 - 08/2019] (5 Of 5)
GTY624157Courtesy of © TOYOTA, LICENSE AGREEMENT TMS1002
COMMUNICATION TABLE

Sender Receiver Signal Line
Multiplex Network Master Switch Assembly Main Body ECU (Multiplex Network Body ECU) Door control switch signal LIN
Certification ECU (Smart Key ECU Assembly) Main Body ECU (Multiplex Network Body ECU) Back door opener switch signal CAN
Multiplex Network Door ECU Main Body ECU (Multiplex Network Body ECU) Power back door control signal CAN