LEMON Manuals: Even more car manuals for everyone: 1960-2025
Home >> Lexus >> 2019 >> UX 250h Base >> Repair and Diagnosis >> Body & Frame >> Windows >> Power Window Control System (Diagnostic Codes & Symptom Tests) >> Power Window Control System >> Driver Side Power Window does not Operate with Power Window Master Switch [10/2018 - 07/2022] >> Wiring Diagram
April 5, 2026: LEMON Manuals is launched! Read the announcement.

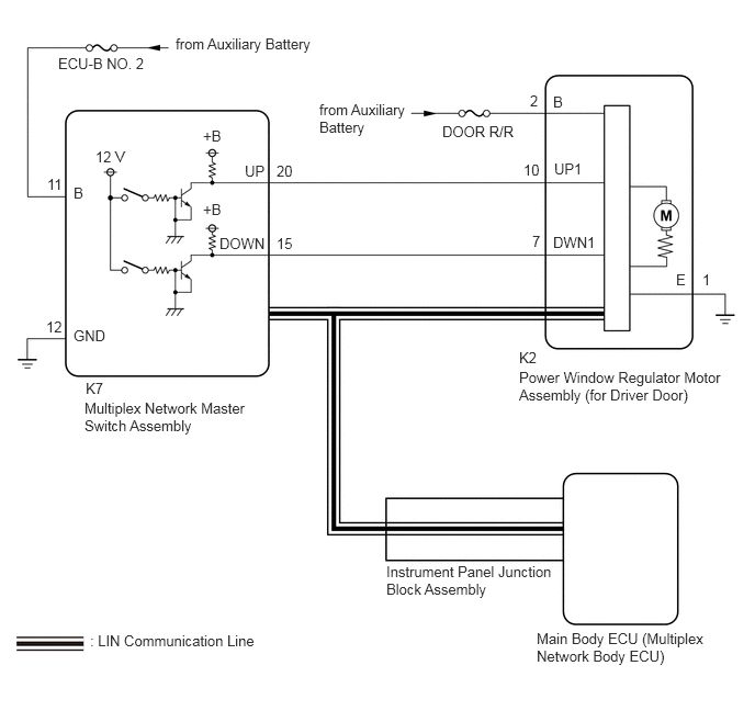
Driver Side Power Window does not Operate with Power Window Master Switch [10/2018 - 07/2022]: Wiring Diagram

GTY821355Courtesy of © TOYOTA, LICENSE AGREEMENT TMS1002