LEMON Manuals: Even more car manuals for everyone: 1960-2025
Home >> Lexus >> 2019 >> UX 250h Base >> Repair and Diagnosis >> Body & Frame >> Windows >> Power Window Control System (Diagnostic Codes & Symptom Tests) >> Power Window Control System >> Rear Power Window RH does not Operate with Rear Power Window Switch RH [10/2018 - 07/2022] >> Wiring Diagram
April 5, 2026: LEMON Manuals is launched! Read the announcement.

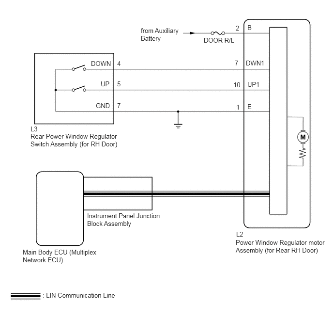
Rear Power Window RH does not Operate with Rear Power Window Switch RH [10/2018 - 07/2022]: Wiring Diagram

GTY775218Courtesy of © TOYOTA, LICENSE AGREEMENT TMS1002