LEMON Manuals: Even more car manuals for everyone: 1960-2025
Home >> Lexus >> 2020 >> NX 300 Base, AWD >> Repair and Diagnosis >> Body & Frame >> Seats >> Front Power Seat Control System (W/ Memory) - Diagnostics - Introduction >> FRONT POWER SEAT CONTROL SYSTEM (w/ Memory) >> System Diagram [10/2014 - ] >> System Diagram [10/2014 - ]
April 5, 2026: LEMON Manuals is launched! Read the announcement.

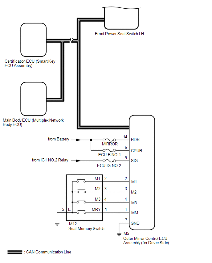
System Diagram [10/2014 - ]

Fig 1: Front Power Seat Control System (W/ Memory) Wiring Diagram (1 Of 2)
GTY516929Courtesy of © TOYOTA, LICENSE AGREEMENT TMS1002
Fig 2: Front Power Seat Control System (W/ Memory) Wiring Diagram (2 Of 2)
GTY506367Courtesy of © TOYOTA, LICENSE AGREEMENT TMS1002