LEMON Manuals: Even more car manuals for everyone: 1960-2025
Home >> Lexus >> 2020 >> NX 300h Base >> Repair and Diagnosis >> Accessories & Equipment >> Cruise Control Systems >> Dynamic Radar Cruise Control System - Diagnostics - Introduction >> Dynamic Radar Cruise Control System >> System Diagram [09/2016 - 09/2017] >> System Diagram [09/2016 - 09/2017]
April 5, 2026: LEMON Manuals is launched! Read the announcement.

System Diagram [09/2016 - 09/2017]

Fig 1: Dynamic Radar Cruise Control System Wiring Diagram (1 Of 3)
GTY513684Courtesy of © TOYOTA, LICENSE AGREEMENT TMS1002
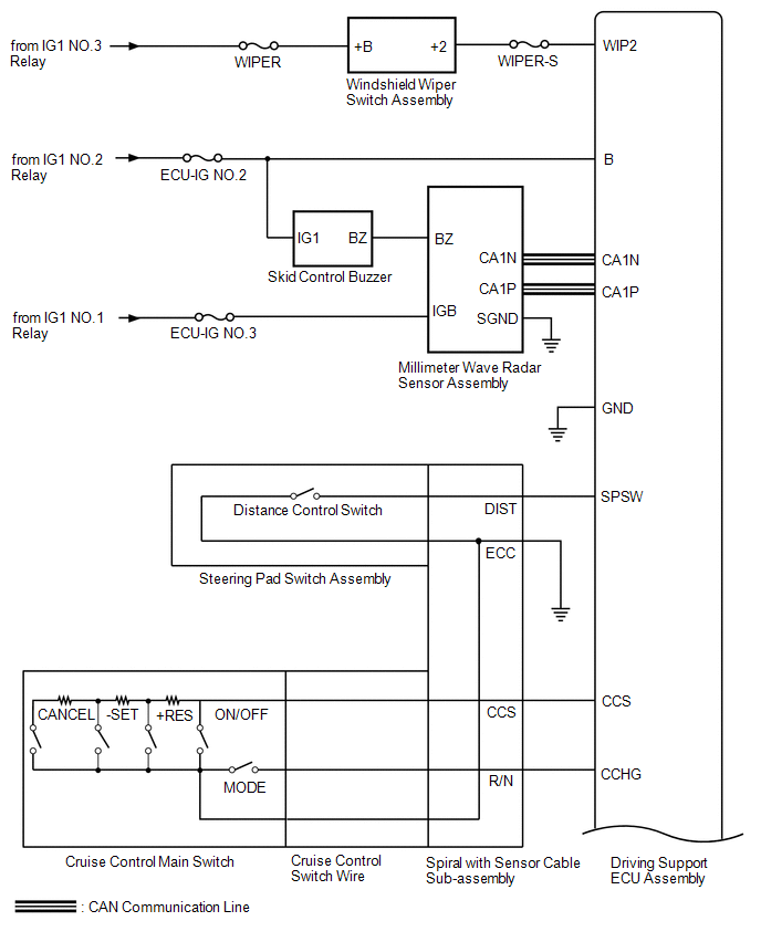
Fig 2: Dynamic Radar Cruise Control System Wiring Diagram (2 Of 3)
GTY520858Courtesy of © TOYOTA, LICENSE AGREEMENT TMS1002
Fig 3: Dynamic Radar Cruise Control System Wiring Diagram (3 Of 3)
GTY615702Courtesy of © TOYOTA, LICENSE AGREEMENT TMS1002
COMMUNICATION TABLE

Sender Receiver Signal Line
Hybrid Vehicle Control ECU Driving Support ECU Assembly
  • Actual drive force signal
  • Accelerator pedal idle position signal
  • Accelerator pedal position signal
  • Brake demand response signal
  • Shift state signal (D and R)
  • Hybrid control system malfunction signal
CAN
Driving Support ECU Assembly Hybrid Vehicle Control ECU
  • Target drive force signal
CAN
Brake Booster with Master Cylinder Assembly (Skid Control ECU) Driving Support ECU Assembly
  • Wheel speed signal
  • Speed sensor power drop signal
  • Speed sensor condition signal
  • Airbag ECU assembly zero point signal
  • Airbag ECU assembly zero point error signal
  • Stop light switch control relay malfunction signal
  • Cruise control cancel demand signal
CAN
Driving Support ECU Assembly Brake Booster with Master Cylinder Assembly (Skid Control ECU)
  • Vehicle following distance signal
CAN
Driving Support ECU Assembly Combination Meter Assembly
  • Vehicle approach warning signal
  • Forward vehicle detection signal
  • Cruise control diagnosis signal
  • Vehicle-to-vehicle distance signal
  • Dirt present on millimeter wave radar sensor assembly signal
  • Bad weather detection signal
  • Low speed cancel buzzer request signal
  • Vehicle-to-vehicle distance control standby signal
  • Constant speed cruise signal
  • Cruise indicator light operation signal
  • Cruise control warning signal
  • Dynamic radar cruise warning signal
  • Cruise control vehicle speed signal
  • Cruise control SET indicator light operation signal
CAN
Spiral with Sensor Cable Sub-assembly Driving Support ECU Assembly
  • Sensor malfunction signal
  • Steering angle signal
  • Sensor zero point signal
CAN
Main Body ECU (Multiplex Network Body ECU) Driving Support ECU Assembly
  • Country specification information signal
CAN
Airbag ECU Assembly Driving Support ECU Assembly
  • Airbag ECU assembly signal
  • Airbag ECU assembly malfunction signal
  • Airbag ECU assembly voltage signal
CAN