LEMON Manuals: Even more car manuals for everyone: 1960-2025
Home >> Lexus >> 2020 >> RC 350 Base, AWD >> Repair and Diagnosis >> Steering >> Power Steering >> Variable Gear Ratio Steering System - Diagnostics - Introduction >> Variable Gear Ratio Steering System >> System Diagram [11/2017 - ] >> System Diagram [11/2017 - ]
April 5, 2026: LEMON Manuals is launched! Read the announcement.

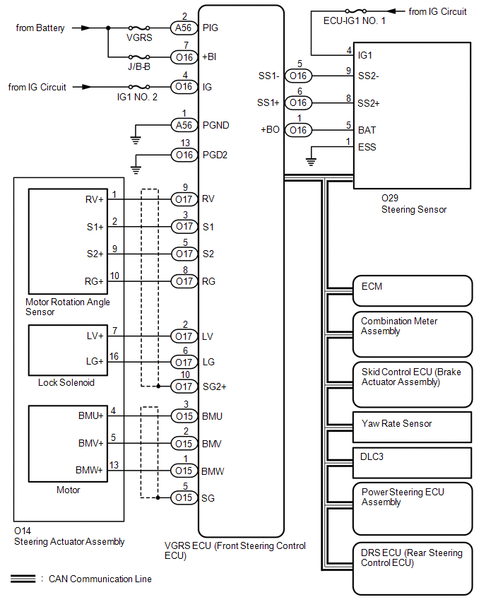
System Diagram [11/2017 - ]

GTY782525Courtesy of © TOYOTA, LICENSE AGREEMENT TMS1002