LEMON Manuals: Even more car manuals for everyone: 1960-2025
Home >> Lexus >> 2020 >> RC F Base >> Repair and Diagnosis >> Accessories & Equipment >> Infotainment >> Navigation System - Circuit Tests >> Navigation System >> Speaker Circuit [11/2017 - 09/2020] >> Wiring Diagram
April 5, 2026: LEMON Manuals is launched! Read the announcement.

Speaker Circuit [11/2017 - 09/2020]: Wiring Diagram

for 10 Speakers 

GTY500064Courtesy of © TOYOTA, LICENSE AGREEMENT TMS1002
GTY775496Courtesy of © TOYOTA, LICENSE AGREEMENT TMS1002

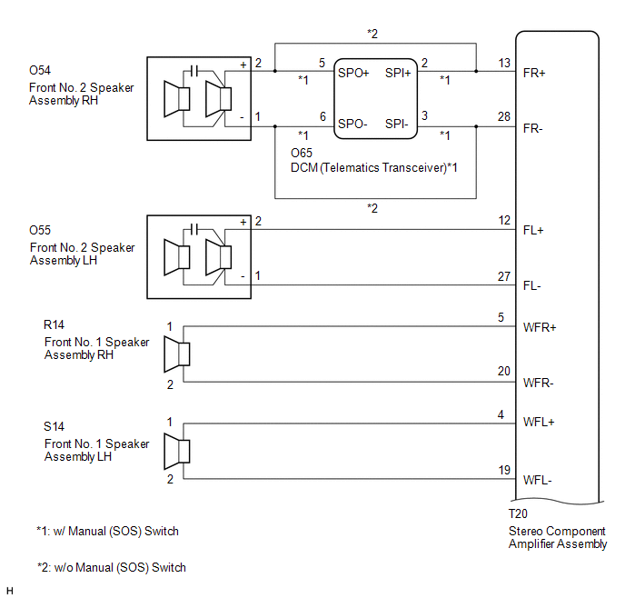
for 17 Speakers 

GTY500064Courtesy of © TOYOTA, LICENSE AGREEMENT TMS1002
GTY819397Courtesy of © TOYOTA, LICENSE AGREEMENT TMS1002