LEMON Manuals: Even more car manuals for everyone: 1960-2025
Home >> Lexus >> 2020 >> RC F Base >> Repair and Diagnosis >> External Pages >> Different car >> Section 2 (Lighting System (Single Beam) - Diagnostics - Introduction) >> LIGHTING SYSTEM (for Single Beam Headlight) >> System Diagram [09/2014 - 03/2019] >> System Diagram [09/2014 - 03/2019]
April 5, 2026: LEMON Manuals is launched! Read the announcement.

System Diagram [09/2014 - 03/2019]

WARNING: This page is about a different car, the 2019 Lexus RC F, 2018 Lexus RC F, 2017 Lexus RC F, 2016 Lexus RC F, and 2015 Lexus RC F. However, it is still accessible from the selected car via links, so may be relevant.
Fig 1: Lighting System (Triple Beam Headlight) Diagram (1 Of 5)
GTY495901Courtesy of © TOYOTA, LICENSE AGREEMENT TMS1002
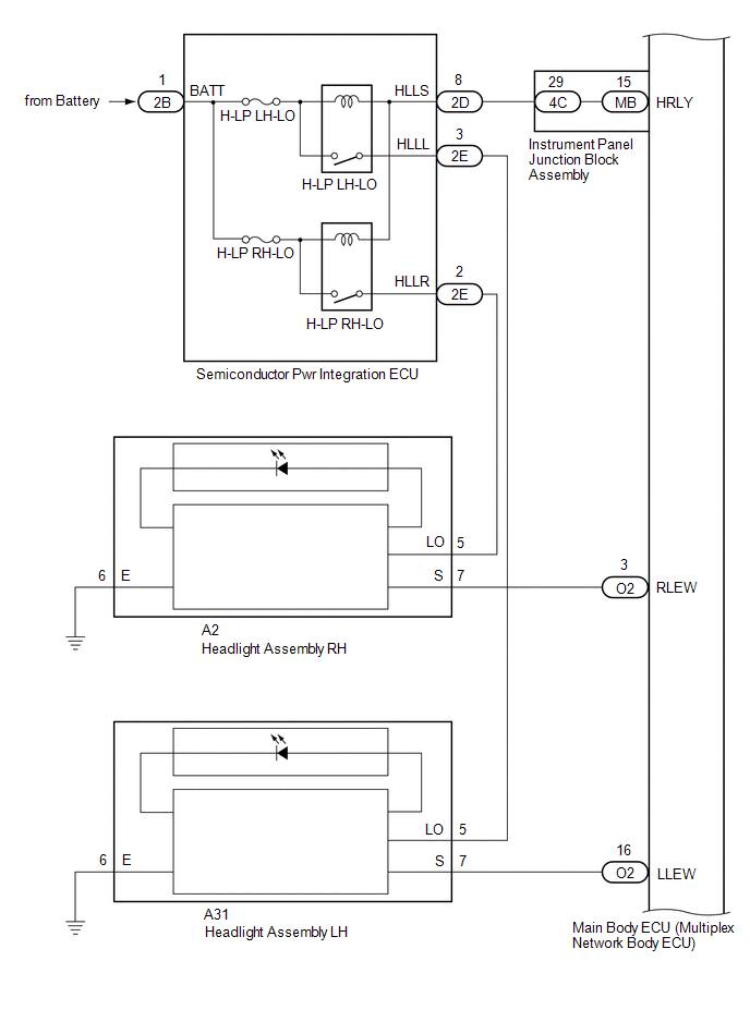
Fig 2: Lighting System (Single Beam Headlight) Diagram (2 Of 5)
GTY516439Courtesy of © TOYOTA, LICENSE AGREEMENT TMS1002
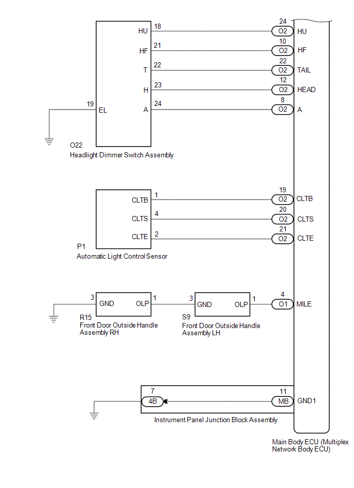
Fig 3: Lighting System (Single Beam Headlight) Diagram (3 Of 5)
GTY498049Courtesy of © TOYOTA, LICENSE AGREEMENT TMS1002
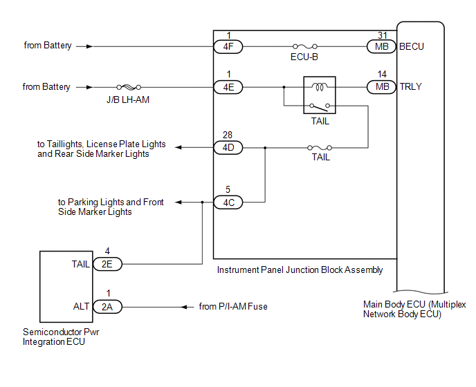
Fig 4: Lighting System (Single Beam Headlight) Diagram (4 Of 5
GTY503089Courtesy of © TOYOTA, LICENSE AGREEMENT TMS1002
Fig 5: Lighting System (Single Beam Headlight) Diagram (5 Of 5)
GTY496604Courtesy of © TOYOTA, LICENSE AGREEMENT TMS1002