LEMON Manuals: Even more car manuals for everyone: 1960-2025
Home >> Lexus >> 2020 >> RC F Base >> Repair and Diagnosis >> Steering >> Steering Column >> Steering Lock System - Diagnostic Codes & Symptom Tests >> Steering Lock System >> Unable to Unlock Steering Wheel (Engine cannot Start) [09/2014 - 01/2023] >> Wiring Diagram
April 5, 2026: LEMON Manuals is launched! Read the announcement.

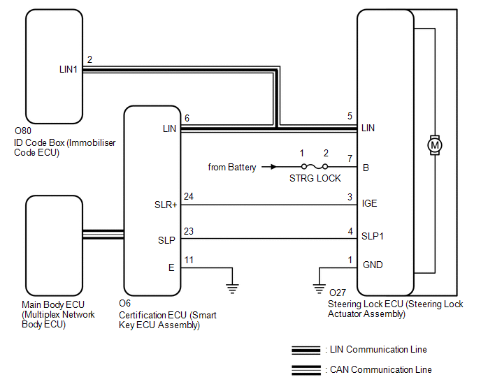
Unable to Unlock Steering Wheel (Engine cannot Start) [09/2014 - 01/2023]: Wiring Diagram

GTY516059Courtesy of © TOYOTA, LICENSE AGREEMENT TMS1002