LEMON Manuals: Even more car manuals for everyone: 1960-2025
Home >> Lexus >> 2021 >> ES 300h Luxury >> Repair and Diagnosis >> Engine Performance >> System >> Engine Control System (A25A-FXS) - Diagnostics - Introduction (1 Of 6) >> SFI System >> System Diagram [07/2019 - 10/2019] >> System Diagram [07/2019 - 10/2019]
April 5, 2026: LEMON Manuals is launched! Read the announcement.

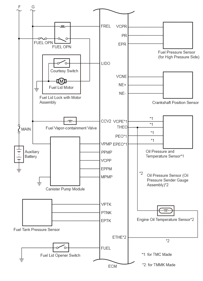
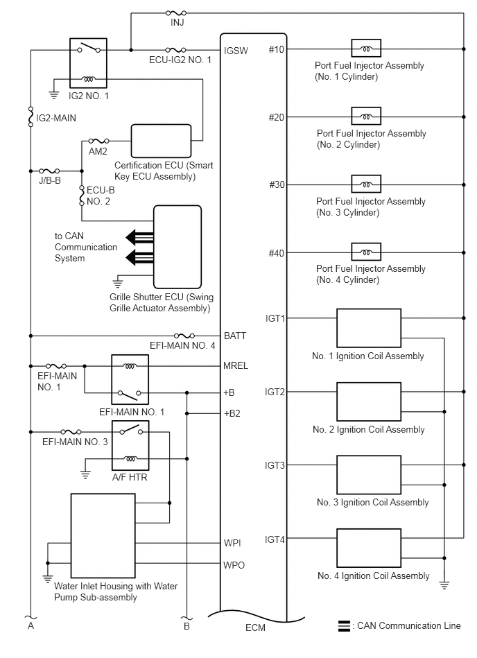
System Diagram [07/2019 - 10/2019]

GTY801364Courtesy of © TOYOTA, LICENSE AGREEMENT TMS1002
GTY947867Courtesy of © TOYOTA, LICENSE AGREEMENT TMS1002
GTY836737Courtesy of © TOYOTA, LICENSE AGREEMENT TMS1002
GTY947410Courtesy of © TOYOTA, LICENSE AGREEMENT TMS1002
GTY948130Courtesy of © TOYOTA, LICENSE AGREEMENT TMS1002