LEMON Manuals: Even more car manuals for everyone: 1960-2025
Home >> Lexus >> 2021 >> LC 500 2D Convertible >> Repair and Diagnosis >> Body & Frame >> Windows >> Power Window Control System - Diagnostic Codes & Symptom Tests (Convertible) >> Power Window Control System >> Front Passenger Side Power Window does not Operate with Front Passenger Side Power Window Switch [07/2020 - ] >> Wiring Diagram
April 5, 2026: LEMON Manuals is launched! Read the announcement.

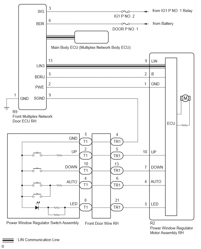
Front Passenger Side Power Window does not Operate with Front Passenger Side Power Window Switch [07/2020 - ]: Wiring Diagram

GTY952918Courtesy of © TOYOTA, LICENSE AGREEMENT TMS1002