LEMON Manuals: Even more car manuals for everyone: 1960-2025
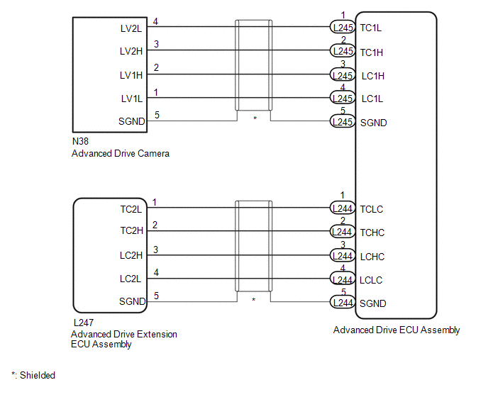
Home >> Lexus >> 2021 >> LS 500h AWD >> Repair and Diagnosis >> External Pages >> Different car >> Section 52 (Advanced Drive Extension System - Diagnostic Codes) >> Advanced Drive Extension System >> DTC C1C6B-87: Advanced Drive Camera (Telephoto) Image Signal (ch1) Missing Message; DTC C1C6C-87: Advanced Drive Camera (Telephoto) Image Signal (ch2) Missing Message; DTC C1C6E-87: Image Signal (Advanced Drive Camera (Telephoto) to Advanced Drive Control Module) Missing Message; DTC C1C6F-87: Image Signal (Advanced Drive Control Module to Advanced Drive eXtension Control Module) Missing Message [11/2021 - ] >> Wiring Diagram
April 5, 2026: LEMON Manuals is launched! Read the announcement.

DTC C1C6B-87: Advanced Drive Camera (Telephoto) Image Signal (ch1) Missing Message; DTC C1C6C-87: Advanced Drive Camera (Telephoto) Image Signal (ch2) Missing Message; DTC C1C6E-87: Image Signal (Advanced Drive Camera (Telephoto) to Advanced Drive Control Module) Missing Message; DTC C1C6F-87: Image Signal (Advanced Drive Control Module to Advanced Drive eXtension Control Module) Missing Message [11/2021 - ]: Wiring Diagram

WARNING: This page is about a different car, the 2024 Lexus LS 500h, 2023 Lexus LS 500h, and 2022 Lexus LS 500h. However, it is still accessible from the selected car via links, so may be relevant.
GTY1087854Courtesy of © TOYOTA, LICENSE AGREEMENT TMS1002