LEMON Manuals: Even more car manuals for everyone: 1960-2025
Home >> Lexus >> 2021 >> LS 500h AWD >> Repair and Diagnosis >> Restraints >> Restraints Control Systems >> Easy Access Buckle System - Diagnostic Codes, Circuit & Symptom Tests >> Easy Access Buckle System >> Front Passenger Seat Easy Access Buckle Function does not Operate [10/2017 - 10/2023] >> Wiring Diagram
April 5, 2026: LEMON Manuals is launched! Read the announcement.

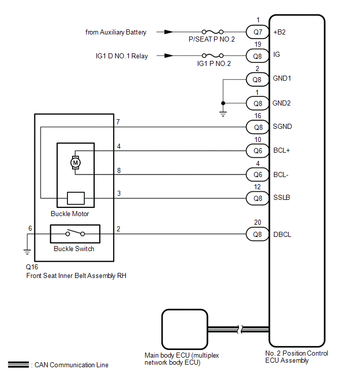
Front Passenger Seat Easy Access Buckle Function does not Operate [10/2017 - 10/2023]: Wiring Diagram

GTY816012Courtesy of © TOYOTA, LICENSE AGREEMENT TMS1002