LEMON Manuals: Even more car manuals for everyone: 1960-2025
Home >> Lexus >> 2021 >> LS 500h RWD >> Repair and Diagnosis >> Transmission >> Transmission Control Systems >> Electronic A/T Shift Lever System (L310) - Diagnostics - Introduction >> Electronic Shift Lever System >> System Diagram [10/2017 - 10/2020] >> System Diagram [10/2017 - 10/2020]
April 5, 2026: LEMON Manuals is launched! Read the announcement.

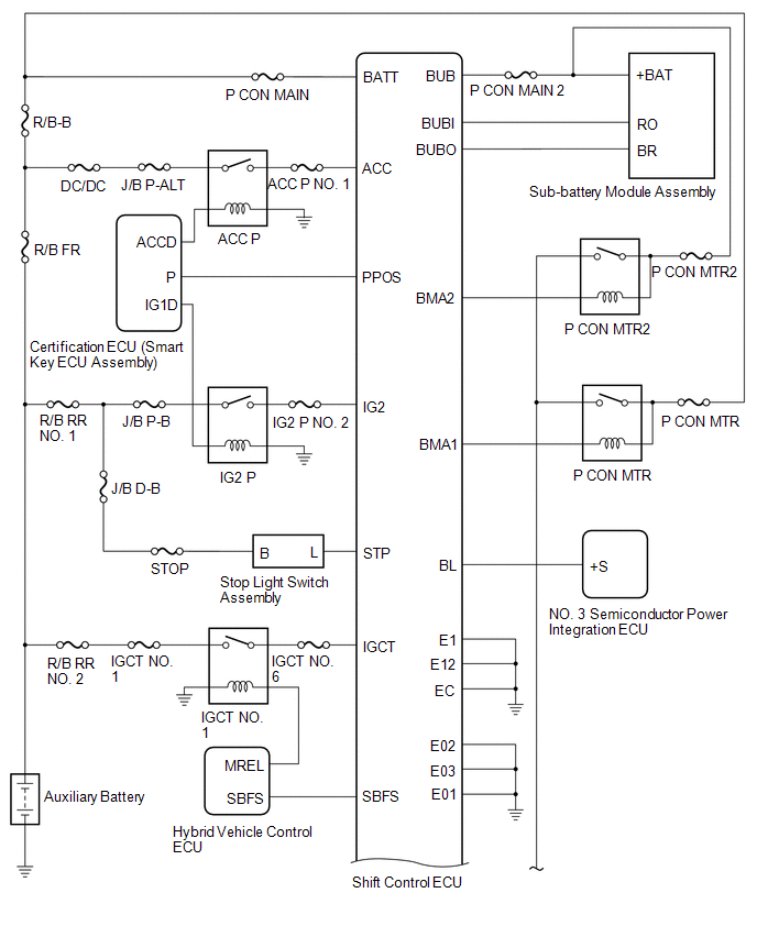
System Diagram [10/2017 - 10/2020]

GTY780062Courtesy of © TOYOTA, LICENSE AGREEMENT TMS1002
GTY776216Courtesy of © TOYOTA, LICENSE AGREEMENT TMS1002