LEMON Manuals: Even more car manuals for everyone: 1960-2025
Home >> Lexus >> 2021 >> NX 300 Base, AWD >> Repair and Diagnosis >> Accessories & Equipment >> Cruise Control Systems >> Dynamic Radar Cruise Control System - Diagnostics - Introduction >> Dynamic Radar Cruise Control System >> System Diagram [05/2019 - ] >> System Diagram [05/2019 - ]
April 5, 2026: LEMON Manuals is launched! Read the announcement.

System Diagram [05/2019 - ]

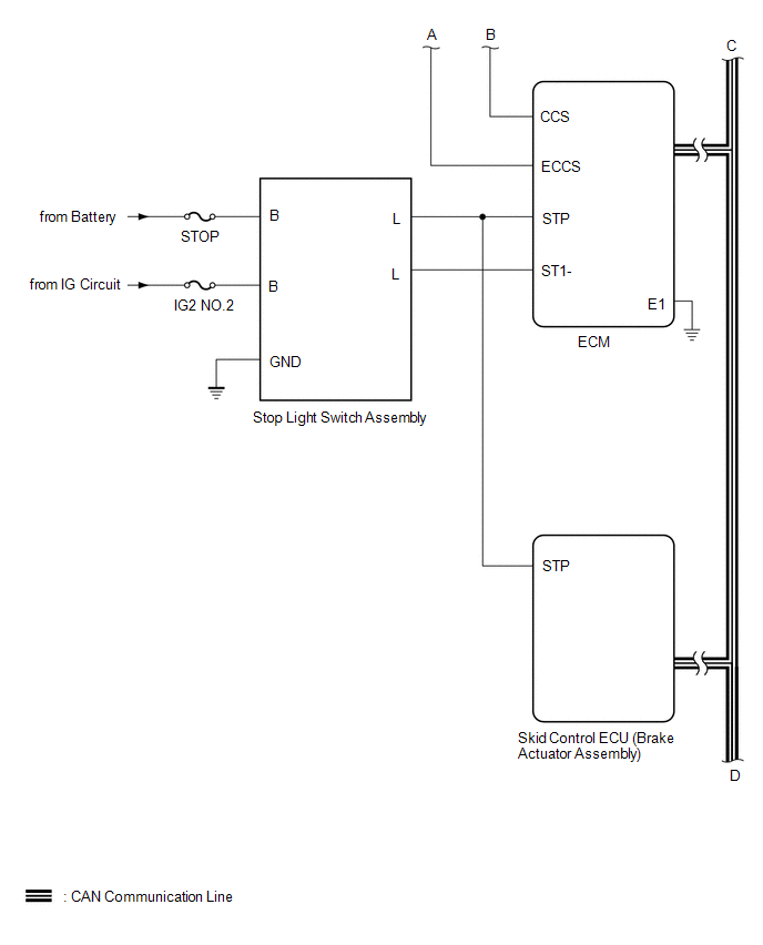
Fig 1: Dynamic Radar Cruise Control System Wiring Diagram (1 Of 3)
GTY957437Courtesy of © TOYOTA, LICENSE AGREEMENT TMS1002
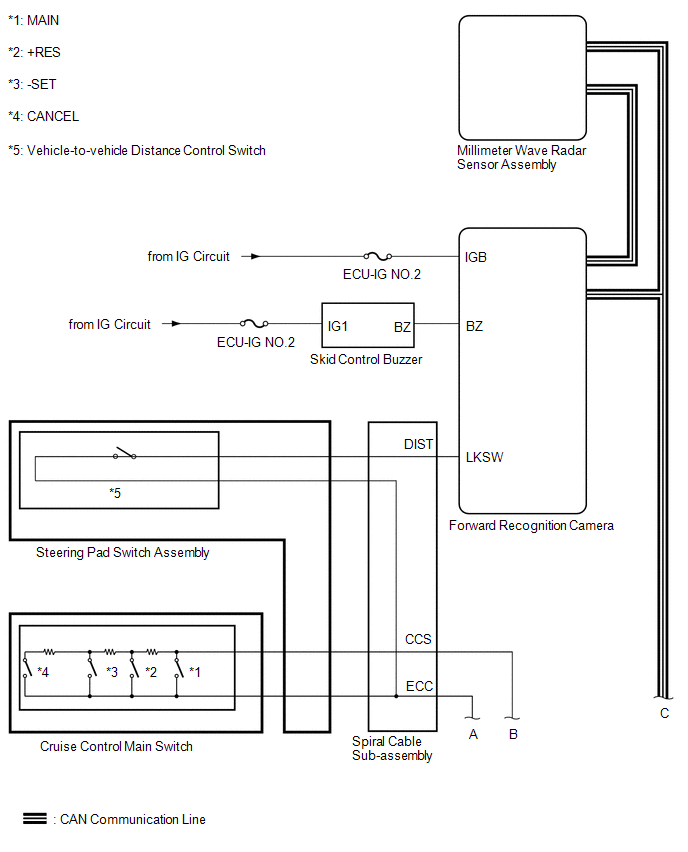
Fig 2: Dynamic Radar Cruise Control System Wiring Diagram (2 Of 3)
GTY956672Courtesy of © TOYOTA, LICENSE AGREEMENT TMS1002
Fig 3: Dynamic Radar Cruise Control System Wiring Diagram (3 Of 3)
GTY957063Courtesy of © TOYOTA, LICENSE AGREEMENT TMS1002