LEMON Manuals: Even more car manuals for everyone: 1960-2025
Home >> Lexus >> 2021 >> NX 300 Base, AWD >> Repair and Diagnosis >> Accessories & Equipment >> Entertainment Systems >> LEXUS ENFORM System - Diagnostics - Introduction >> LEXUS ENFORM System >> System Diagram [10/2014 - 09/2017] >> System Diagram [10/2014 - 09/2017]
April 5, 2026: LEMON Manuals is launched! Read the announcement.

System Diagram [10/2014 - 09/2017]

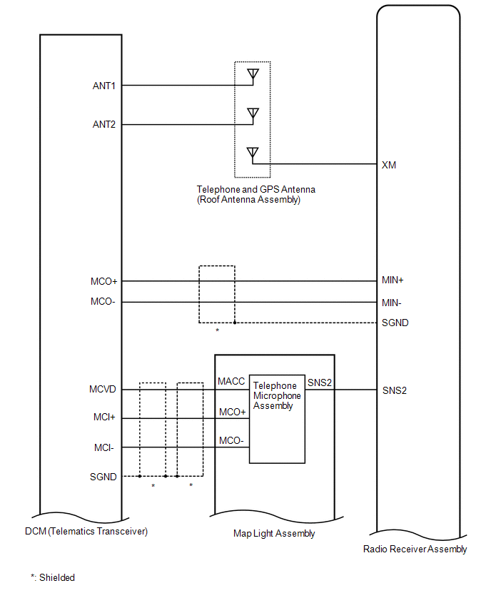
Fig 1: Lexus Enform System Diagram (1 Of 4)
GTY499004Courtesy of © TOYOTA, LICENSE AGREEMENT TMS1002
Fig 2: Lexus Enform System Diagram (2 Of 4)
GTY503778Courtesy of © TOYOTA, LICENSE AGREEMENT TMS1002
Fig 3: Lexus Enform System Diagram (3 Of 4)
GTY503821Courtesy of © TOYOTA, LICENSE AGREEMENT TMS1002
Fig 4: Lexus Enform System Diagram (4 Of 4)
GTY458327Courtesy of © TOYOTA, LICENSE AGREEMENT TMS1002