LEMON Manuals: Even more car manuals for everyone: 1960-2025
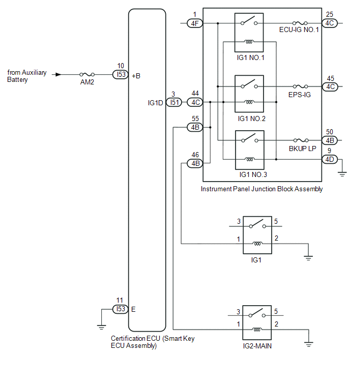
Home >> Lexus >> 2021 >> NX 300h Base >> Repair and Diagnosis >> Electrical >> Starter >> Smart Access System With Push-Button Start (For Start Function) - Diagnostic Codes & Symptom Tests >> SMART ACCESS SYSTEM WITH PUSH-BUTTON START (for Start Function) >> DTC B2271: Ignition Hold Monitor Malfunction [10/2014 - ] >> Wiring Diagram
April 5, 2026: LEMON Manuals is launched! Read the announcement.

DTC B2271: Ignition Hold Monitor Malfunction [10/2014 - ]: Wiring Diagram

GTY512842Courtesy of © TOYOTA, LICENSE AGREEMENT TMS1002