LEMON Manuals: Even more car manuals for everyone: 1960-2025
Home >> Lexus >> 2021 >> NX 300h Base >> Repair and Diagnosis >> Engine Mechanical >> Starter >> Smart Access System With Push-Button Start (For Start Function) - Diagnostic Codes & Symptom Tests >> SMART ACCESS SYSTEM WITH PUSH-BUTTON START (for Start Function) >> Power Source Mode does not Change to ON (IG and ACC) [10/2014 - ] >> Wiring Diagram
April 5, 2026: LEMON Manuals is launched! Read the announcement.

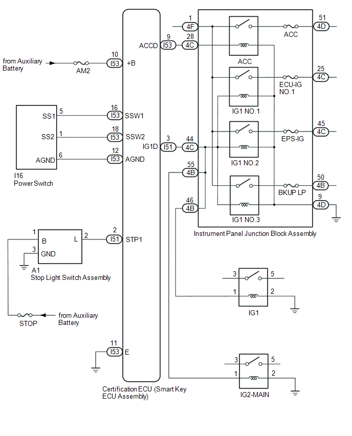
Power Source Mode does not Change to ON (IG and ACC) [10/2014 - ]: Wiring Diagram

GTY504488Courtesy of © TOYOTA, LICENSE AGREEMENT TMS1002