LEMON Manuals: Even more car manuals for everyone: 1960-2025
Home >> Lexus >> 2021 >> NX 300h Base >> Repair and Diagnosis >> Engine Performance >> System >> Engine Control System - Diagnostic Codes (6 Of 6) & Circuit Tests >> SFI System >> Fuel Pump Control Circuit [10/2014 - 09/2017] >> Wiring Diagram
April 5, 2026: LEMON Manuals is launched! Read the announcement.

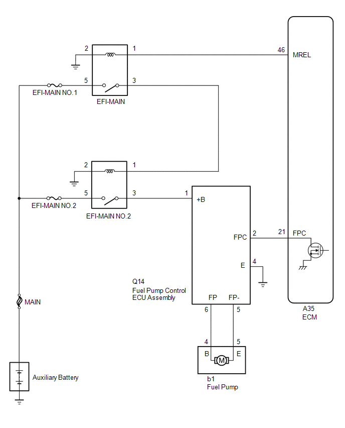
Fuel Pump Control Circuit [10/2014 - 09/2017]: Wiring Diagram

GTY513690Courtesy of © TOYOTA, LICENSE AGREEMENT TMS1002