LEMON Manuals: Even more car manuals for everyone: 1960-2025
Home >> Lexus >> 2021 >> NX 300h Base >> Repair and Diagnosis >> External Pages >> Different car >> Section 7 (Power Steering System - Diagnostics - Introduction) >> Power Steering System >> System Diagram [10/2014 - 09/2017] >> System Diagram [10/2014 - 09/2017]
April 5, 2026: LEMON Manuals is launched! Read the announcement.

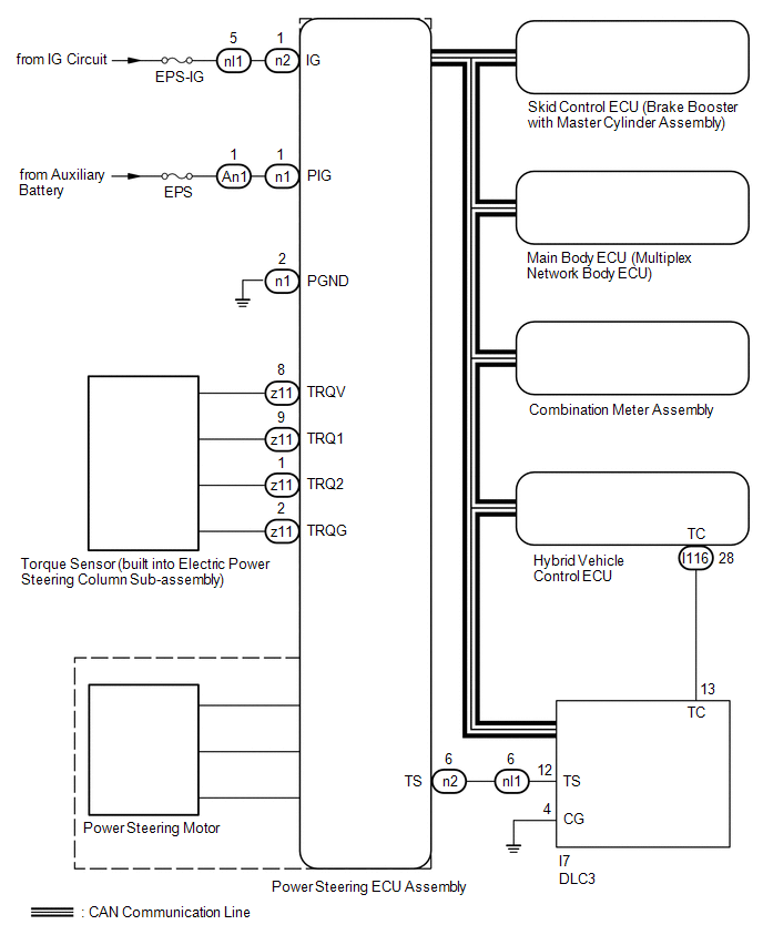
System Diagram [10/2014 - 09/2017]

WARNING: This page is about a different car, the 2017 Lexus NX 300h, 2016 Lexus NX 300h, and 2015 Lexus NX 300h. However, it is still accessible from the selected car via links, so may be relevant.
Fig 1: Power Steering System Wiring Diagram
GTY515214Courtesy of © TOYOTA, LICENSE AGREEMENT TMS1002