LEMON Manuals: Even more car manuals for everyone: 1960-2025
Home >> Lexus >> 2021 >> RC 350 Base, AWD >> Repair and Diagnosis >> Brakes >> Traction Control >> Vehicle Stability Control System - Diagnostics - Introduction (1 Of 3) >> Vehicle Stability Control System >> System Diagram [10/2015 - 11/2017] >> System Diagram [10/2015 - 11/2017]
April 5, 2026: LEMON Manuals is launched! Read the announcement.

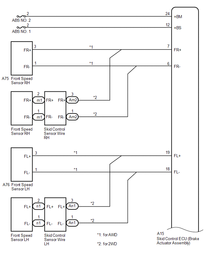
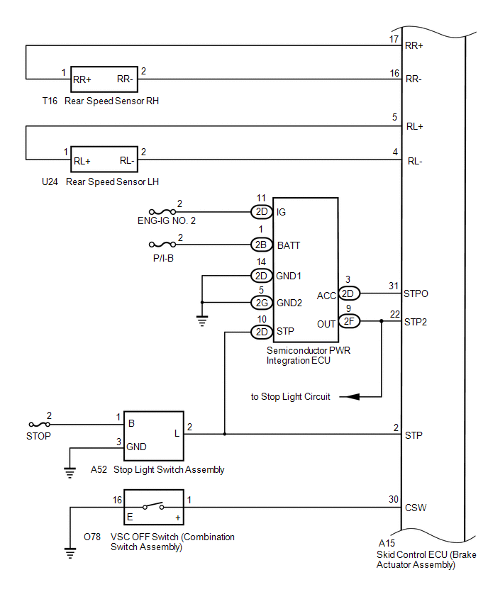
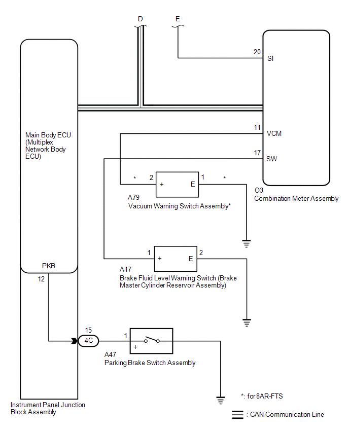
System Diagram [10/2015 - 11/2017]

GTY649880Courtesy of © TOYOTA, LICENSE AGREEMENT TMS1002
GTY507626Courtesy of © TOYOTA, LICENSE AGREEMENT TMS1002
GTY508195Courtesy of © TOYOTA, LICENSE AGREEMENT TMS1002
GTY612383Courtesy of © TOYOTA, LICENSE AGREEMENT TMS1002
GTY665243Courtesy of © TOYOTA, LICENSE AGREEMENT TMS1002
Transmitting ECU (Transmitter) Receiving ECU Signal Communication Method
Skid control ECU (Brake actuator assembly) Steering angle sensor Steering angle sensor request signal CAN communication line
Steering angle sensor Skid control ECU (Brake actuator assembly) Steering angle sensor signal CAN communication line
Skid control ECU (Brake actuator assembly) Yaw rate and acceleration sensor Yaw rate and acceleration request signal CAN communication line
Yaw rate and acceleration sensor Skid control ECU (Brake actuator assembly) Yaw rate and acceleration signal CAN communication line
Skid control ECU (Brake actuator assembly) ECM
  • Wheel speed signal
  • VSC data signal
CAN communication line
ECM Skid control ECU (Brake actuator assembly)
  • Shift position signal
  • Throttle position signal
  • Engine speed signal
  • Diagnosis (TC terminal) signal
CAN communication line
Skid control ECU (Brake actuator assembly) Power steering ECU assembly VSC data signal CAN communication line
Power steering ECU assembly Skid control ECU (Brake actuator assembly) Sensor check (TS terminal) signal CAN communication line
Main body ECU (Multiplex network body ECU) Skid control ECU (Brake actuator assembly) Parking brake switch signal CAN communication line
Skid control ECU (Brake actuator assembly) Combination meter assembly
  • ABS warning light signal
  • Brake warning light signal
  • Multi-information display (TRAC OFF message) signal
  • VSC OFF indicator light signal
  • Slip indicator light signal
  • Wheel speed signal
CAN communication line
Skid control ECU (Brake actuator assembly) Front steering control ECU Target relative angle signal CAN communication line
Front steering control ECU Skid control ECU (Brake actuator assembly)
  • VGRS cooperative control enabling signal
  • VGRS relative angle signal
CAN communication line
Skid control ECU (Brake actuator assembly) Rear steering control ECU Target relative angle signal CAN communication line
Rear steering control ECU Skid control ECU (Brake actuator assembly)
  • DRS cooperative control enabling signal
  • DRS relative angle signal
CAN communication line