LEMON Manuals: Even more car manuals for everyone: 1960-2025
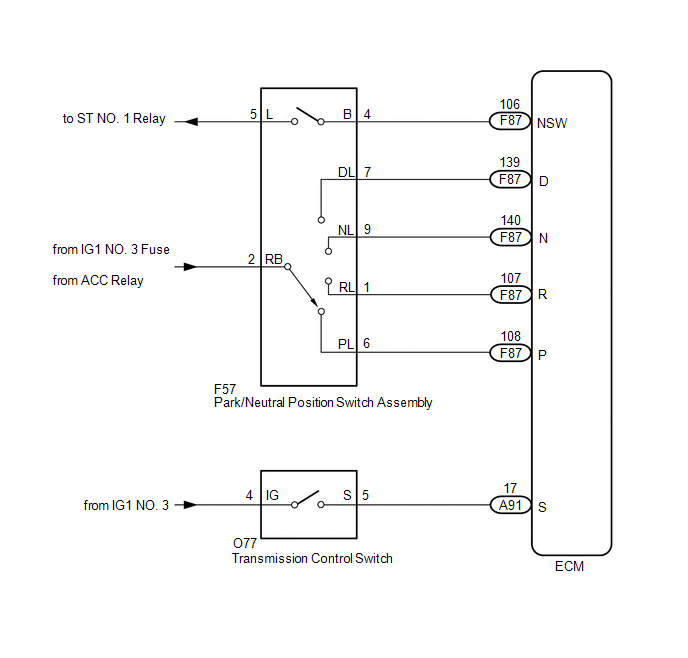
Home >> Lexus >> 2021 >> RC 350 Base, AWD >> Repair and Diagnosis >> Engine Performance >> System >> Engine Control System (2GR-FKS) - Diagnostic Codes (6 Of 9) >> SFI System >> DTC P0705-13: Transmission Range Sensor "A" Circuit Open; DTC P0705-62: Transmission Range Sensor "A" Signal Compare Failure [11/2017 - ] >> Wiring Diagram
April 5, 2026: LEMON Manuals is launched! Read the announcement.

DTC P0705-13: Transmission Range Sensor "A" Circuit Open; DTC P0705-62: Transmission Range Sensor "A" Signal Compare Failure [11/2017 - ]: Wiring Diagram

GTY819899Courtesy of © TOYOTA, LICENSE AGREEMENT TMS1002