LEMON Manuals: Even more car manuals for everyone: 1960-2025
Home >> Lexus >> 2021 >> RC F Base >> Repair and Diagnosis >> Electrical >> Body Electrical >> Power Distribution System - Service Information >> Integration Relay >> Inspection [09/2014 - ] >> Procedure
April 5, 2026: LEMON Manuals is launched! Read the announcement.

Inspection [09/2014 - ]: Procedure

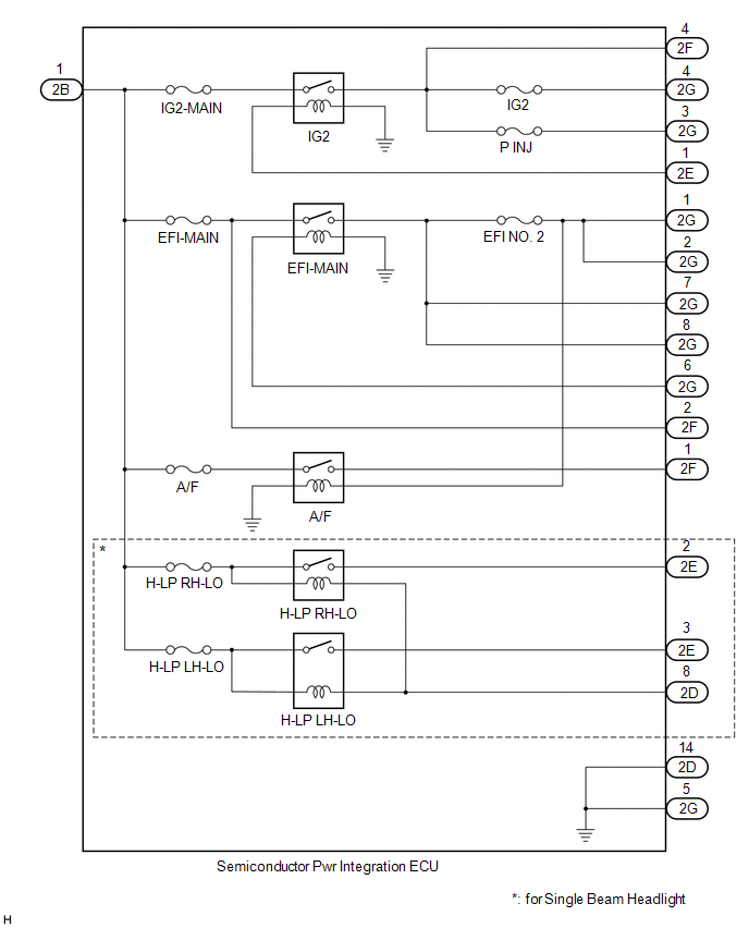
  1. INSPECT SEMICONDUCTOR PWR INTEGRATION ECU 
    GTY515271Courtesy of © TOYOTA, LICENSE AGREEMENT TMS1002
    1. IG2 RELAY:
      1. Measure the resistance according to the value(s) in the table below.
        GTY470801Courtesy of © TOYOTA, LICENSE AGREEMENT TMS1002
        *a Component without harness connected
        (Semiconductor Pwr Integration ECU)

        Standard Resistance

        Tester Connection Condition Specified Condition
        2B-1 - 2F-4 Battery voltage not applied between terminals 2E-1 and 2D-14 10 kΩ or higher
        2B-1 - 2G-3
        2B-1 - 2G-4
        2B-1 - 2F-4 Battery positive (+) → 2E-1
        Battery negative (-) → 2D-14
        Below 1 Ω
        2B-1 - 2G-3
        2B-1 - 2G-4

        If the result is not as specified, replace the semiconductor pwr integration ECU.

    2. EFI-MAIN RELAY:
      1. Measure the resistance according to the value(s) in the table below.
        GTY466561Courtesy of © TOYOTA, LICENSE AGREEMENT TMS1002
        *a Component without harness connected
        (Semiconductor Pwr Integration ECU)

        Standard Resistance

        Tester Connection Condition Specified Condition
        2B-1 - 2G-1 Battery voltage not applied between terminals 2G-6 and 2D-14 10 kΩ or higher
        2B-1 - 2G-2
        2B-1 - 2G-7
        2B-1 - 2G-8
        2F-2 - 2G-1
        2B-1 - 2G-1 Battery positive (+) → 2G-6
        Battery negative (-) → 2D-14
        Below 1 Ω
        2B-1 - 2G-2
        2B-1 - 2G-7
        2B-1 - 2G-8
        2F-2 - 2G-1

        If the result is not as specified, replace the semiconductor pwr integration ECU.

    3. A/F RELAY:
      1. Measure the resistance according to the value(s) in the table below.
        GTY466562Courtesy of © TOYOTA, LICENSE AGREEMENT TMS1002
        *a Component without harness connected
        (Semiconductor Pwr Integration ECU)

        Standard Resistance

        Tester Connection Condition Specified Condition
        2B-1 - 2F-1 Battery voltage not applied between terminals 2G-1 and 2D-14 10 kΩ or higher
        2B-1 - 2F-1 Battery positive (+) → 2G-1
        Battery negative (-) → 2D-14
        Below 1 Ω

        If the result is not as specified, replace the semiconductor pwr integration ECU.

    4. H-LP RH-LO RELAY:
      1. Measure the resistance according to the value(s) in the table below.
        GTY466558Courtesy of © TOYOTA, LICENSE AGREEMENT TMS1002
        *a Component without harness connected
        (Semiconductor Pwr Integration ECU)

        Standard Resistance

        Tester Connection Condition Specified Condition
        2B-1 - 2E-2 Battery voltage not applied between terminals 2B-1 and 2D-8 10 kΩ or higher
      2. Measure the voltage according to the value(s) in the table below.

        Standard Voltage

        Tester Connection Condition Specified Condition
        2E-2 - Battery negative (-) Battery positive (+) → 2B-1
        Battery negative (-) → 2D-8
        11 to 14 V

        If the result is not as specified, replace the semiconductor pwr integration ECU.

    5. H-LP LH-LO RELAY:
      1. Measure the resistance according to the value(s) in the table below.
        GTY466559Courtesy of © TOYOTA, LICENSE AGREEMENT TMS1002
        *a Component without harness connected
        (Semiconductor Pwr Integration ECU)

        Standard Resistance

        Tester Connection Condition Specified Condition
        2B-1 - 2E-3 Battery voltage not applied between terminals 2B-1 and 2D-8 10 kΩ or higher
      2. Measure the voltage according to the value(s) in the table below.

        Standard Voltage

        Tester Connection Condition Specified Condition
        2E-3 - Battery negative (-) Battery positive (+) → 2B-1
        Battery negative (-) → 2D-8
        11 to 14 V

        If the result is not as specified, replace the semiconductor pwr integration ECU.

    6. Semiconductor pwr integration ECU ground:
      1. Measure the resistance according to the value(s) in the table below.
        GTY466557Courtesy of © TOYOTA, LICENSE AGREEMENT TMS1002
        *a Component without harness connected
        (Semiconductor Pwr Integration ECU)

        Standard Resistance

        Tester Connection Condition Specified Condition
        2D-14 - 2G-5 Always Below 1 Ω

        If the result is not as specified, replace the semiconductor pwr integration ECU.