LEMON Manuals: Even more car manuals for everyone: 1960-2025
Home >> Lexus >> 2021 >> RC F Fuji Speedway Edition >> Repair and Diagnosis >> Accessories & Equipment >> Wiper/Washer Systems >> Wiper System / Washer System - Diagnostics - Introduction >> Wiper And Washer System >> System Diagram [08/2016 - 11/2017] >> System Diagram [08/2016 - 11/2017]
April 5, 2026: LEMON Manuals is launched! Read the announcement.

System Diagram [08/2016 - 11/2017]

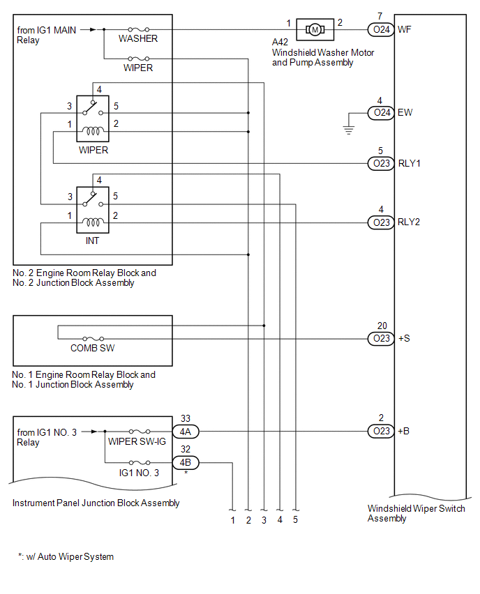
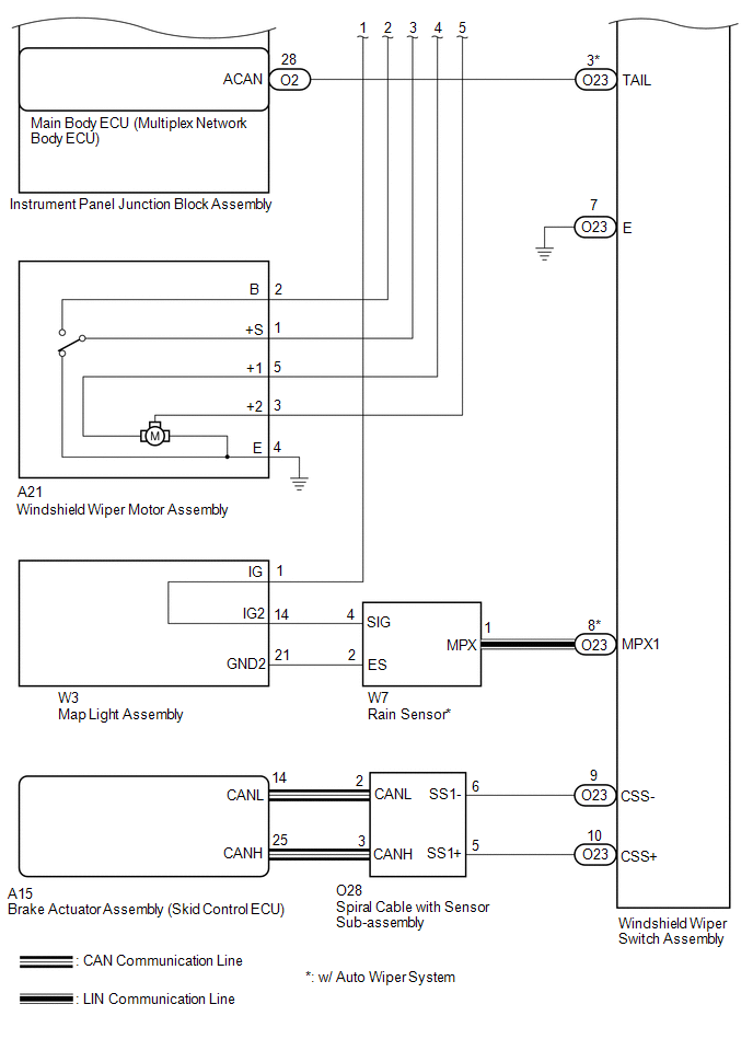
  1. WIPER AND WASHER SYSTEM 
    Fig 1: Wiper And Washer System Diagram (1 Of 2)
    GTY520732Courtesy of © TOYOTA, LICENSE AGREEMENT TMS1002
    Fig 2: Wiper And Washer System Diagram (2 Of 2)
    GTY638093Courtesy of © TOYOTA, LICENSE AGREEMENT TMS1002
  2. HEADLIGHT CLEANER SYSTEM (w/ Headlight Cleaner System) 
    Fig 3: Headlight Cleaner System (W/ Headlight Cleaner System) Diagram (1 Of 2)
    GTY499262Courtesy of © TOYOTA, LICENSE AGREEMENT TMS1002
    Fig 4: Headlight Cleaner System (W/ Headlight Cleaner System) Diagram (2 Of 2)
    GTY519042Courtesy of © TOYOTA, LICENSE AGREEMENT TMS1002
  3. WASHER FLUID LEVEL WARNING SYSTEM 
    Fig 5: Washer Fluid Level Warning System Diagram
    GTY521261Courtesy of © TOYOTA, LICENSE AGREEMENT TMS1002