LEMON Manuals: Even more car manuals for everyone: 1960-2025
Home >> Lexus >> 2021 >> RX 350 Base, AWD >> Repair and Diagnosis >> Body & Frame >> Door Locks >> Smart Access System With Push-Button Start (For Entry Function) - Diagnostic Codes & Circuit Tests >> SMART ACCESS SYSTEM WITH PUSH-BUTTON START (for Entry Function) >> All Door Entry Lock/Unlock Functions and Wireless Functions do not Operate [09/2015 - ] >> Wiring Diagram
April 5, 2026: LEMON Manuals is launched! Read the announcement.

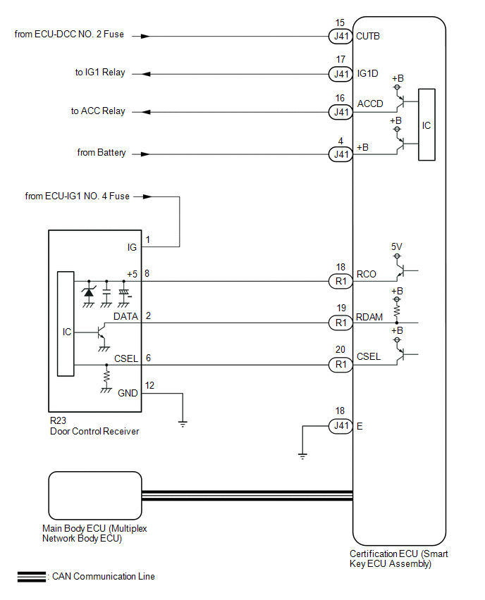
All Door Entry Lock/Unlock Functions and Wireless Functions do not Operate [09/2015 - ]: Wiring Diagram

GTY627677Courtesy of © TOYOTA, LICENSE AGREEMENT TMS1002