LEMON Manuals: Even more car manuals for everyone: 1960-2025
Home >> Lexus >> 2021 >> RX 350 Base, FWD >> Repair and Diagnosis >> Accessories & Equipment >> Cruise Control Systems >> Dynamic Radar Cruise Control System - Diagnostics - Introduction >> Dynamic Radar Cruise Control System >> System Diagram [08/2019 - ] >> System Diagram [08/2019 - ]
April 5, 2026: LEMON Manuals is launched! Read the announcement.

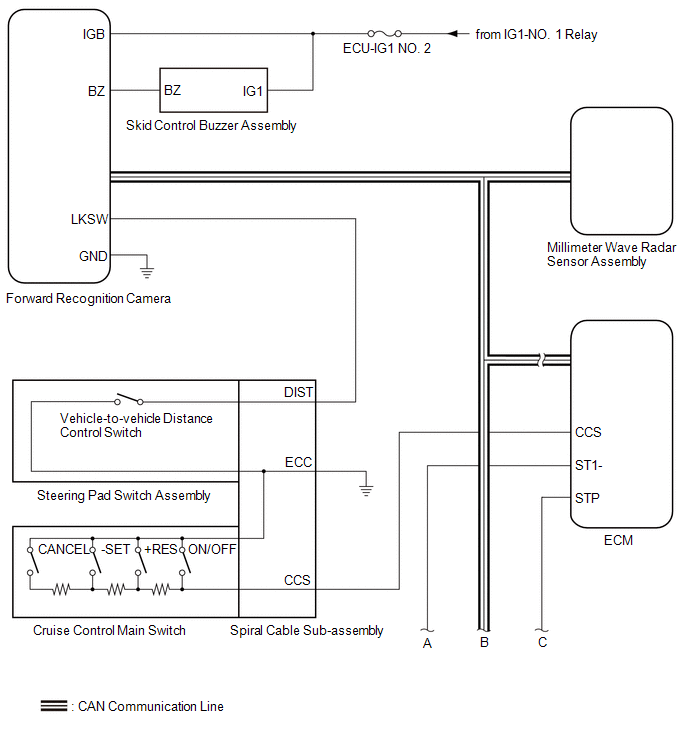
System Diagram [08/2019 - ]

GTY947942Courtesy of © TOYOTA, LICENSE AGREEMENT TMS1002
GTY947839Courtesy of © TOYOTA, LICENSE AGREEMENT TMS1002
  1. LOCAL BUS 
    GTY854337Courtesy of © TOYOTA, LICENSE AGREEMENT TMS1002