LEMON Manuals: Even more car manuals for everyone: 1960-2025
Home >> Lexus >> 2021 >> RX 450h Base >> Repair and Diagnosis >> Electrical >> Starter >> Smart Access System (For Start Function) (Diagnostic Codes & Symptom Tests) >> SMART ACCESS SYSTEM WITH PUSH-BUTTON START (for Start Function) >> Power Source Mode does not Change to ON (IG and ACC) [10/2015 - 03/2018] >> Wiring Diagram
April 5, 2026: LEMON Manuals is launched! Read the announcement.

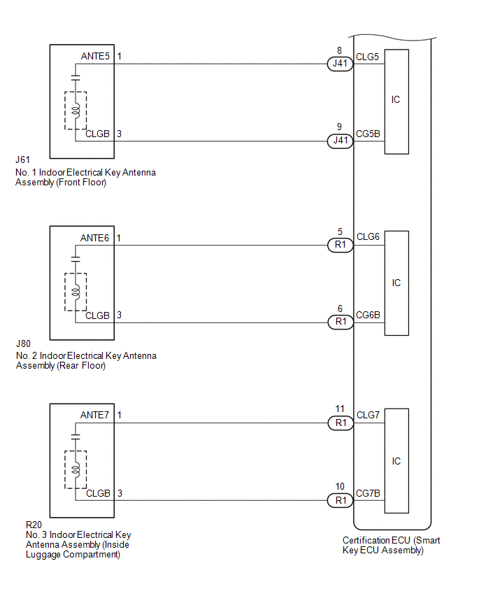
Power Source Mode does not Change to ON (IG and ACC) [10/2015 - 03/2018]: Wiring Diagram

GTY684690Courtesy of © TOYOTA, LICENSE AGREEMENT TMS1002
GTY623320Courtesy of © TOYOTA, LICENSE AGREEMENT TMS1002