LEMON Manuals: Even more car manuals for everyone: 1960-2025
Home >> Lexus >> 2022 >> IS 350 RWD >> Repair and Diagnosis >> Engine Performance >> System >> Engine Control System (2GR-FKS) - Diagnostics - Introduction (1 Of 4) >> SFI System >> System Diagram [10/2017 - 09/2020] >> System Diagram [10/2017 - 09/2020]
April 5, 2026: LEMON Manuals is launched! Read the announcement.

System Diagram [10/2017 - 09/2020]

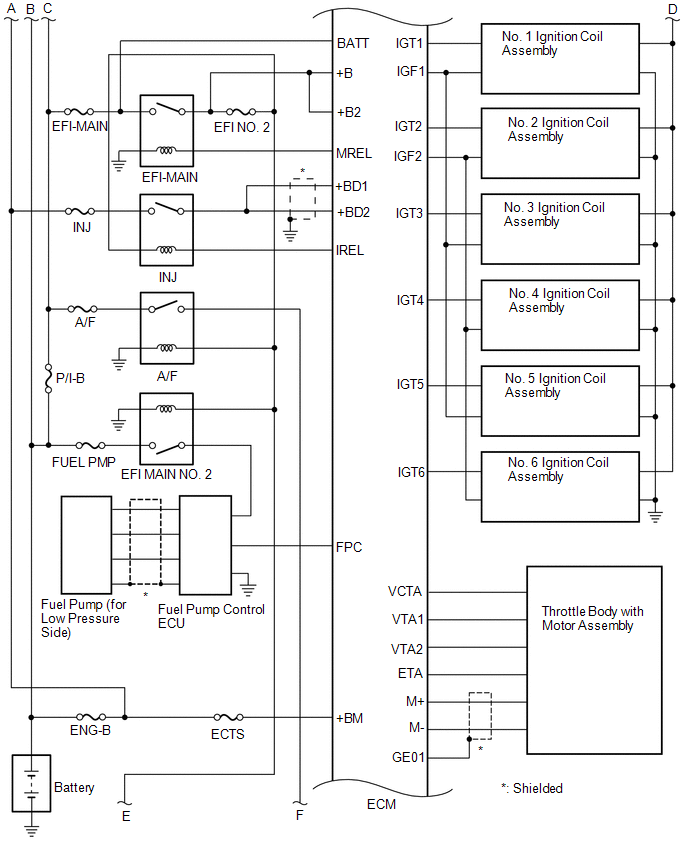
Fig 1: SFI System Diagram (1 Of 5)
GTY830967Courtesy of © TOYOTA, LICENSE AGREEMENT TMS1002
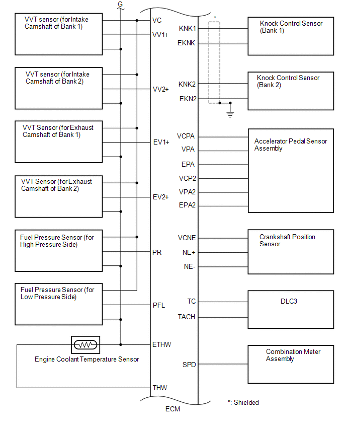
Fig 2: SFI System Diagram (2 Of 5)
GTY779846Courtesy of © TOYOTA, LICENSE AGREEMENT TMS1002
Fig 3: SFI System Diagram (3 Of 5)
GTY781937Courtesy of © TOYOTA, LICENSE AGREEMENT TMS1002
Fig 4: SFI System Diagram (4 Of 5)
GTY788191Courtesy of © TOYOTA, LICENSE AGREEMENT TMS1002
Fig 5: SFI System Diagram (5 Of 5)
GTY831932Courtesy of © TOYOTA, LICENSE AGREEMENT TMS1002