LEMON Manuals: Even more car manuals for everyone: 1960-2025
Home >> Lexus >> 2023 >> LC 500 2D Convertible >> Repair and Diagnosis >> Transmission >> Transmission Control Systems >> Electronic A/T Shift Lever System - Diagnostics - Introduction (Convertible) >> Electronic Shift Lever System >> System Diagram [07/2020 - 05/2023] >> System Diagram [07/2020 - 05/2023]
April 5, 2026: LEMON Manuals is launched! Read the announcement.

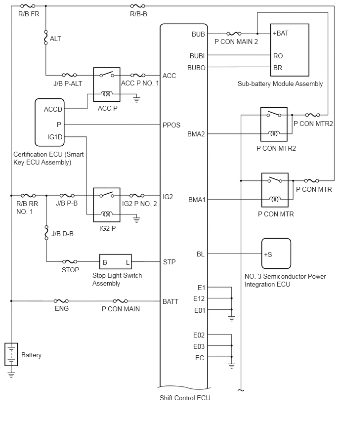
System Diagram [07/2020 - 05/2023]

Fig 1: Electronic Shift Lever System Diagram (1 Of 2)
GTY831497Courtesy of © TOYOTA, LICENSE AGREEMENT TMS1002
Fig 2: Electronic Shift Lever System Diagram (2 Of 2)
GTY958597Courtesy of © TOYOTA, LICENSE AGREEMENT TMS1002