LEMON Manuals: Even more car manuals for everyone: 1960-2025
Home >> Lexus >> 2023 >> LX 600 Base >> Repair and Diagnosis >> Engine Performance >> Engine Control Systems >> Stop And Start System - Diagnostic Codes (2 Of 2) & Circuit Tests >> Stop And Start System >> Starter Signal Circuit [12/2021 - ] >> Wiring Diagram
April 5, 2026: LEMON Manuals is launched! Read the announcement.

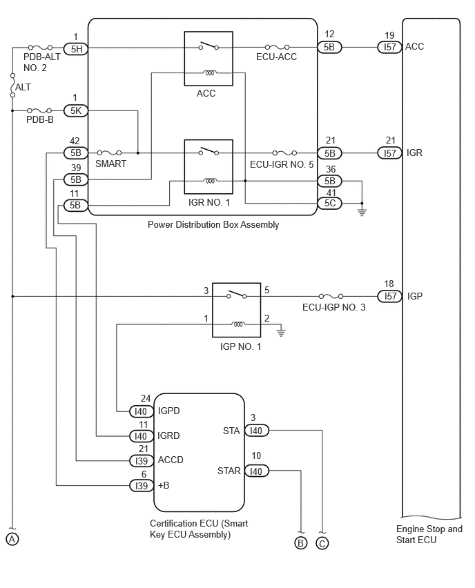
Starter Signal Circuit [12/2021 - ]: Wiring Diagram

GTY1074547Courtesy of © TOYOTA, LICENSE AGREEMENT TMS1002
GTY1074183Courtesy of © TOYOTA, LICENSE AGREEMENT TMS1002
GTY1074792Courtesy of © TOYOTA, LICENSE AGREEMENT TMS1002