LEMON Manuals: Even more car manuals for everyone: 1960-2025
Home >> Lexus >> 2023 >> RC F Base >> Repair and Diagnosis >> Engine Performance >> Testing & Diagnosis >> Engine Control System - Diagnostic Codes (6 Of 9) >> SFI System >> DTC P0705: Transmission Range Sensor Circuit (PRNDL Input) [09/2014 - ] >> Wiring Diagram
April 5, 2026: LEMON Manuals is launched! Read the announcement.

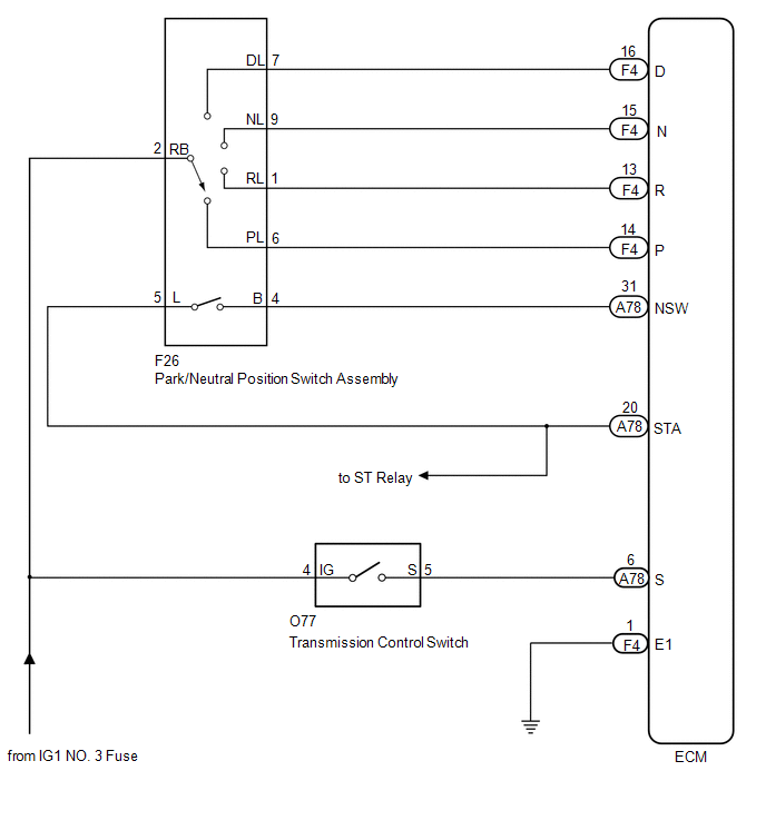
DTC P0705: Transmission Range Sensor Circuit (PRNDL Input) [09/2014 - ]: Wiring Diagram

GTY1084529Courtesy of © TOYOTA, LICENSE AGREEMENT TMS1002