LEMON Manuals: Even more car manuals for everyone: 1960-2025
Home >> Lexus >> 2024 >> LS 500h >> Repair and Diagnosis >> External Pages >> Different car >> Section 82 (Power Door Lock Control System - Diagnostics - Introduction) >> Power Door Lock Control System >> System Diagram [10/2017 - 10/2023] >> System Diagram [10/2017 - 10/2023]
April 5, 2026: LEMON Manuals is launched! Read the announcement.

System Diagram [10/2017 - 10/2023]

WARNING: This page does not describe the selected car, but rather 6 other vehicles, including the 2023 Lexus LS 500h, 2022 Lexus LS 500h, 2021 Lexus LS 500h, 2020 Lexus LS 500h, and 2019 Lexus LS 500h. However, it is still accessible from the selected car via links, so may be relevant.
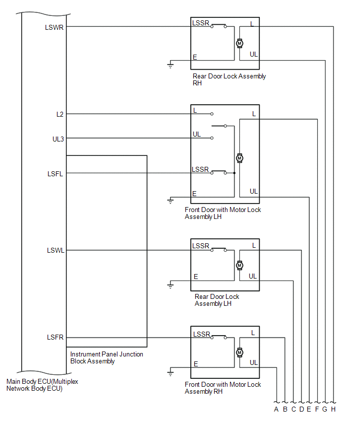
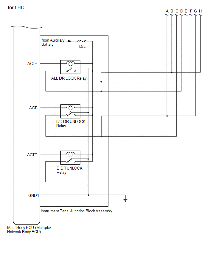
  1. Power Door Lock Control System 
    GTY782233Courtesy of © TOYOTA, LICENSE AGREEMENT TMS1002
    GTY830113Courtesy of © TOYOTA, LICENSE AGREEMENT TMS1002
    GTY824241Courtesy of © TOYOTA, LICENSE AGREEMENT TMS1002