LEMON Manuals: Even more car manuals for everyone: 1960-2025
Home >> Lexus >> 2024 >> LX 600 F Sport >> Repair and Diagnosis (Single Page) >> Accessories & Equipment >> Drivers Assistance Systems - ADAS >> Parking Support Brake System - Diagnostic Codes >> Parking Support Brake System >> DTC U1177-87: Lost Communication with Side Obstacle Detection Control Module "A" (ch2) Missing Message; DTC U1178-87: Lost Communication with Side Obstacle Detection Control Module "B" (ch2) Missing Message [12/2021 - ] >> Wiring Diagram
April 5, 2026: LEMON Manuals is launched! Read the announcement.

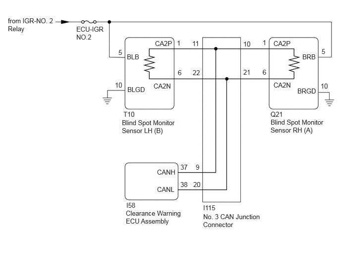
DTC U1177-87: Lost Communication with Side Obstacle Detection Control Module "A" (ch2) Missing Message; DTC U1178-87: Lost Communication with Side Obstacle Detection Control Module "B" (ch2) Missing Message [12/2021 - ]: Wiring Diagram

GTY1068282Courtesy of © TOYOTA, LICENSE AGREEMENT TMS1002