LEMON Manuals: Even more car manuals for everyone: 1960-2025
Home >> Mazda >> 1993 >> 929 >> Repair and Diagnosis >> Engine Performance >> System >> Engine Controls - Basic Testing >> Ignition Checks (NAVAJO) >> VRS Sensor
April 5, 2026: LEMON Manuals is launched! Read the announcement.

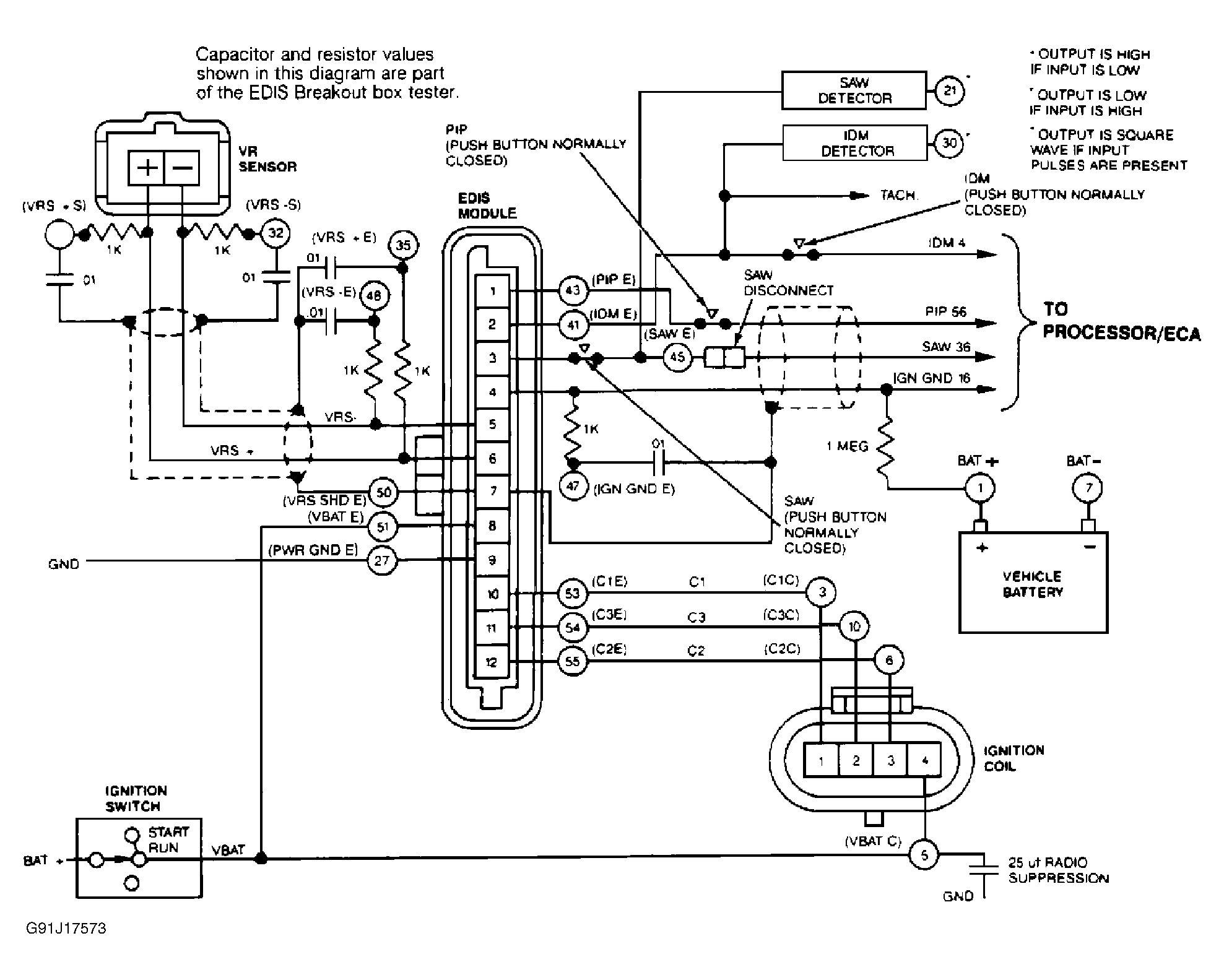
VRS Sensor

Ensure trigger wheel on crank pulley and VRS are not damaged. Ensure VRS is not touching trigger wheel. If no problems are found, disconnect ICM connector. Crank engine and check for slight A/C voltage at ICM harness terminals No. 5 and 6. See Figure . If A/C voltage is not pulsing greater than one volt, check VRS circuits for opens or shorts. If no problems are found, replace VRS sensor. If A/C voltage pulses greater than one volt, go to CHECK VBAT OPEN TO COIL.