LEMON Manuals: Even more car manuals for everyone: 1960-2025
Home >> Mazda >> 1996 >> B3000 Base, Automatic >> Repair and Diagnosis >> Body & Frame >> Power Windows >> Component Testing >> Main Switch
April 5, 2026: LEMON Manuals is launched! Read the announcement.

Main Switch

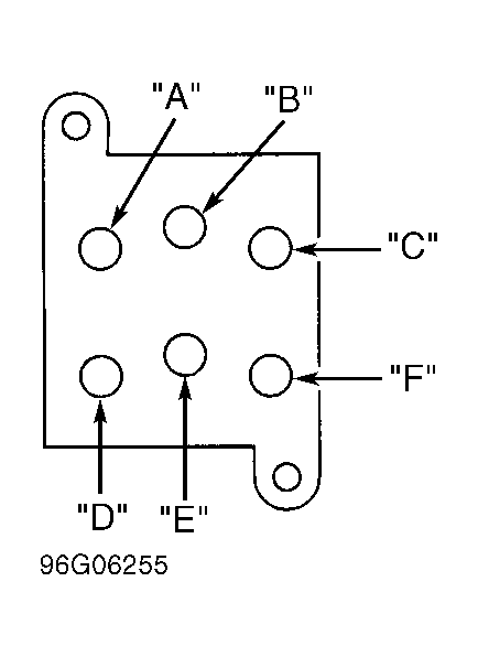
Check continuity across specified terminals of main switch connector with main switch button held in specified position. See appropriate MAIN SWITCH CONTINUITY TEST  . See Fig 1 . Replace main switch if continuity is not as specified.

MAIN SWITCH CONTINUITY TEST

Switch Position Terminals
Driver
UP A, D, E & F; B & C
Off (Neutral) A, C, D, E & F
DOWN A, C, D & E
Passenger
UP A & B; C, D, E & F
Off (Neutral) A, C, D, E & F
DOWN A, C, E & F; B & C
Fig 1: Identifying Main Switch Connector Terminals
G96G06255Courtesy of MAZDA MOTORS CORP.