LEMON Manuals: Even more car manuals for everyone: 1960-2025
Home >> Mazda >> 2002 >> MPV ES >> Repair and Diagnosis (Single Page) >> Body & Frame >> Exterior/Interior Trim >> Sliding Door >> Easy Closure Control Module Removal/Installation >> Easy Closure Control Module Inspection
April 5, 2026: LEMON Manuals is launched! Read the announcement.

Easy Closure Control Module Inspection

  1. Remove the easy closure control module.
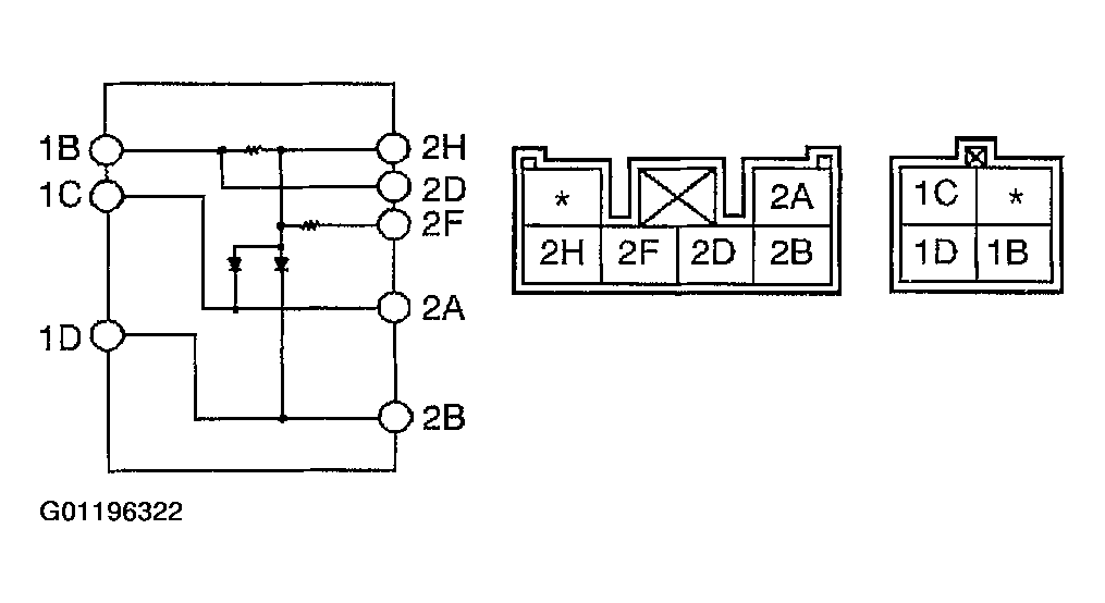
  2. Inspect for continuity between the latch position switch terminals using an ohmmeter.
    • If not as specified, replace the easy closure control module.
Fig 1: Inspecting Easy Closure Control Module Continuity
G01196321Courtesy of MAZDA MOTORS CORP.
Fig 2: Identifying Easy Closure Control Module Connector
G01196322Courtesy of MAZDA MOTORS CORP.