LEMON Manuals: Even more car manuals for everyone: 1960-2025
Home >> Mazda >> 2002 >> MPV ES >> Repair and Diagnosis (Single Page) >> Engine Performance >> System >> Engine Controls - System & Component Testing >> Relays & Solenoids >> Main Relay
April 5, 2026: LEMON Manuals is launched! Read the announcement.

Main Relay

  1. Ensure main relay clicks when ignition is turned on and off. If no sound is heard, locate and remove main relay from main fuse block, in left side of engine compartment. Using ohmmeter, check continuity between main relay terminals "C" and "D" (terminals "A" and "F" on 626). See Fig 1 -Fig 3 . Continuity should not be present.
    Fig 1: Identifying Main Relay Test Terminals (Except MPV & 626)
    G00110103Courtesy of MAZDA MOTORS CORP.
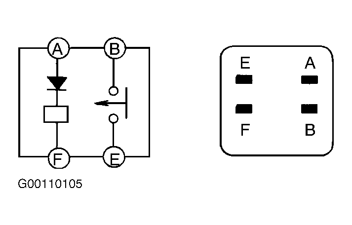
    Fig 2: Identifying Main Relay Test Terminals (MPV)
    G00110104Courtesy of MAZDA MOTORS CORP.
    Fig 3: Identifying Main Relay Test Terminals (626)
    G00110105Courtesy of MAZDA MOTORS CORP.
  2. Using fused jumper wires, apply battery voltage to main relay terminal "A" and ground terminal "B" (terminal "F" on 626 or E" on MPV). Continuity should be present between main relay terminals "C" and "D" (terminals "B" and "E" on 626). See Fig 1 -Fig 3 . If continuity is not as specified, replace main relay.