LEMON Manuals: Even more car manuals for everyone: 1960-2025
Home >> Mazda >> 2004 >> MPV LX >> Repair and Diagnosis (Single Page) >> Quick Lookups >> Wiring Diagrams >> OEM Connector End Views >> Connector End Views >> Easy Closure Control Module Connector End View
April 5, 2026: LEMON Manuals is launched! Read the announcement.

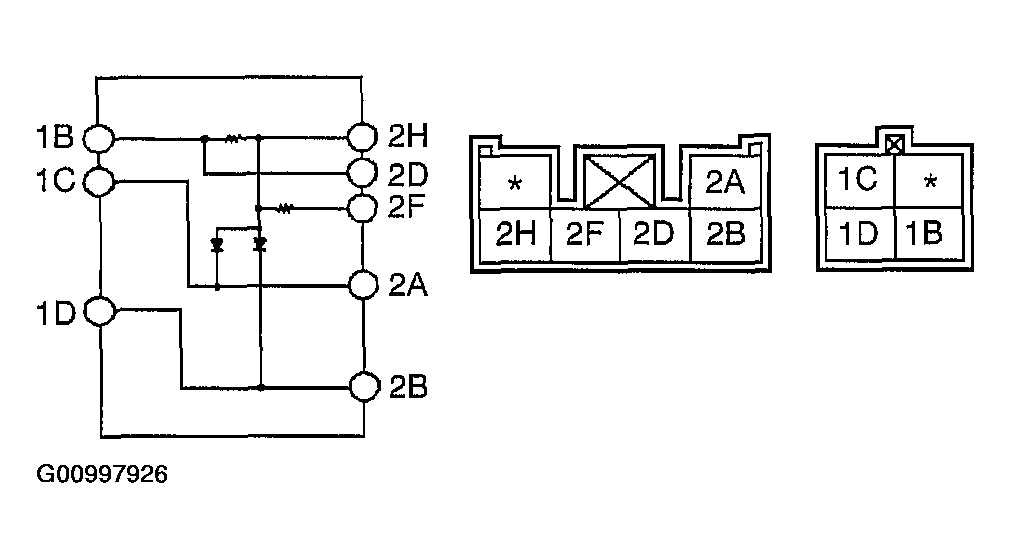
Easy Closure Control Module Connector End View

Fig 1: Easy Closure Control Module Connector End View
G00997926Courtesy of MAZDA MOTORS CORP.