LEMON Manuals: Even more car manuals for everyone: 1960-2025
Home >> Mazda >> 2006 >> 3 L4-2.0L >> Repair and Diagnosis >> Diagrams >> Connector Views >> Fuse Block
April 5, 2026: LEMON Manuals is launched! Read the announcement.

Fuse Block

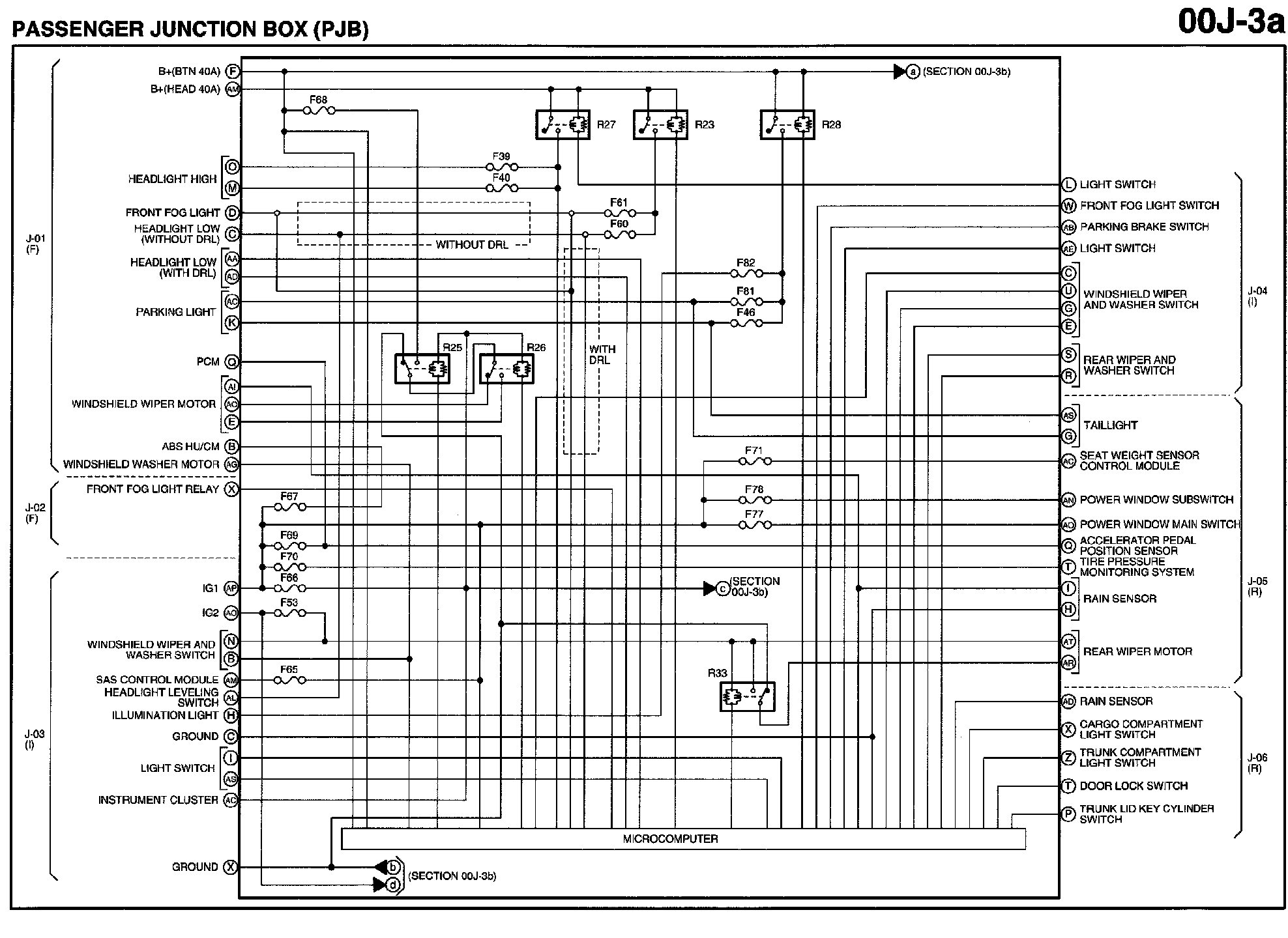
Passenger Junction Box (PJB):



Passenger Junction Box (PJB):



Passenger Junction Box (PJB):



Passenger Junction Box (PJB):