LEMON Manuals: Even more car manuals for everyone: 1960-2025
Home >> Mazda >> 2006 >> 6 s, 4D Hatchback, Standard >> Repair and Diagnosis >> Engine Performance >> Engine Control Systems >> Engine Control System (AJ) >> Control System Diagram
April 5, 2026: LEMON Manuals is launched! Read the announcement.

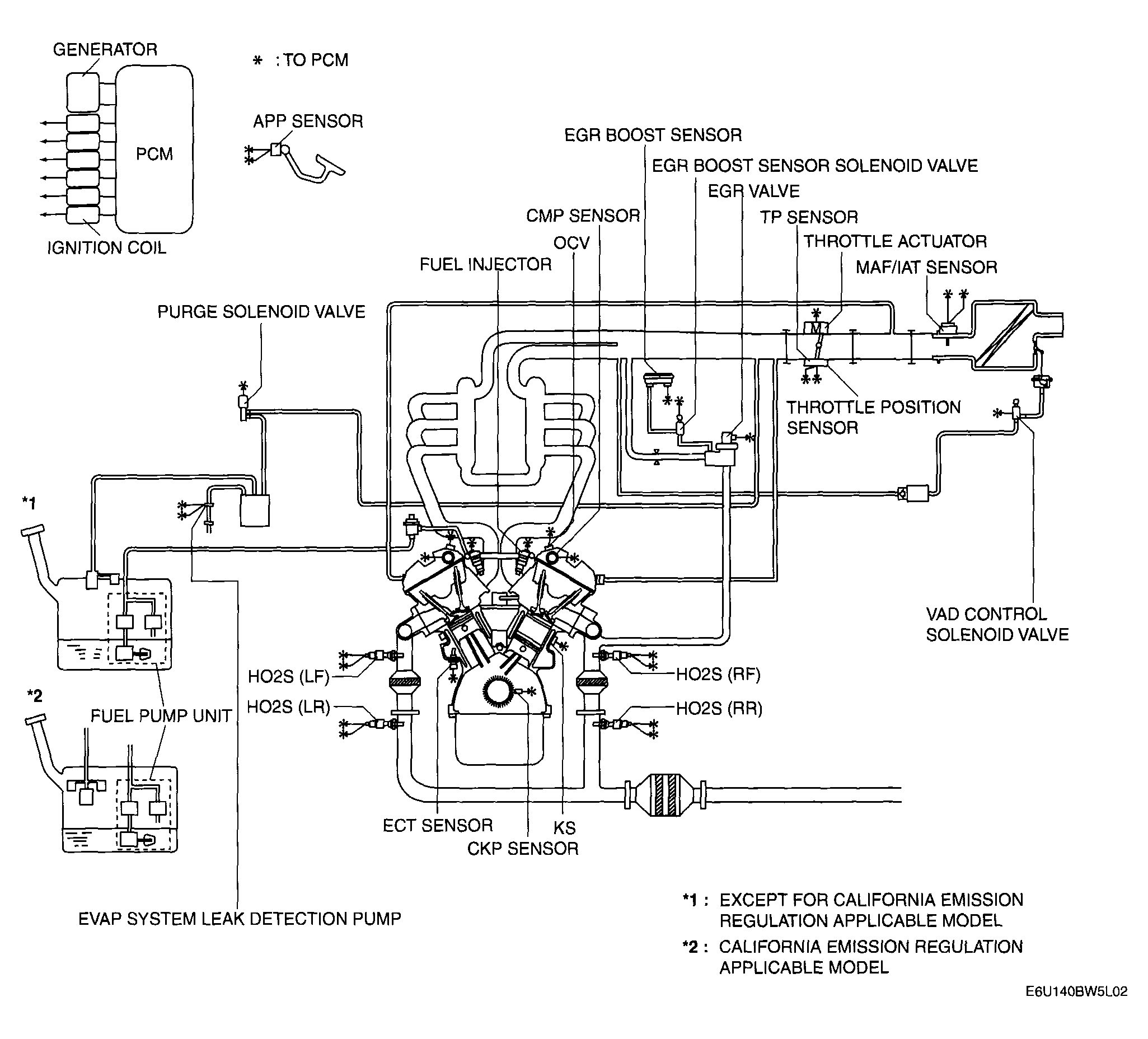
Control System Diagram

Fig 1: Control System Diagram
G04325282Courtesy of MAZDA MOTORS CORP.