LEMON Manuals: Even more car manuals for everyone: 1960-2025
Home >> Mazda >> 2006 >> MPV ES >> Repair and Diagnosis (Single Page) >> Engine Performance >> Engine Control Systems >> Control System Wiring Diagram >> With Rear HO2S Model >> Without immobilizer system
April 5, 2026: LEMON Manuals is launched! Read the announcement.

Without immobilizer system

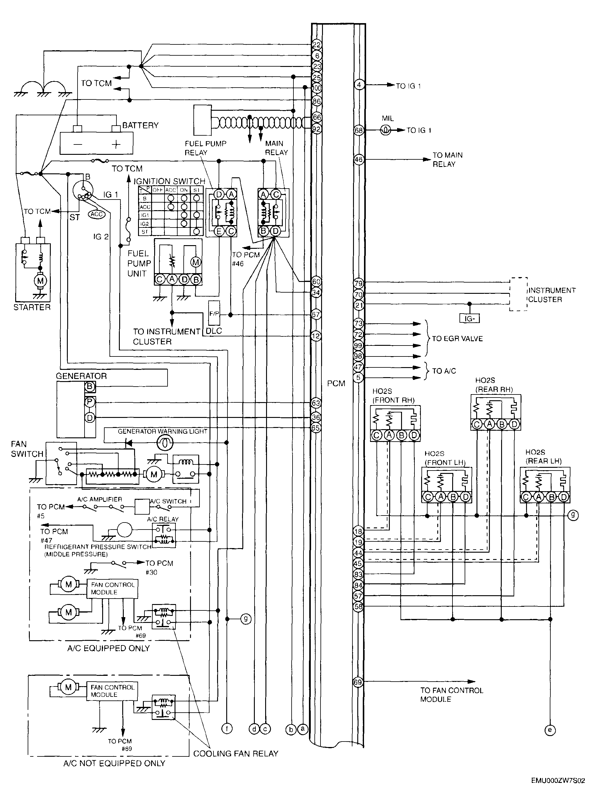
Fig 1: Control System Wiring Diagram - Without Immobilizer System (1 Of 2)
G04328297Courtesy of MAZDA MOTORS CORP.
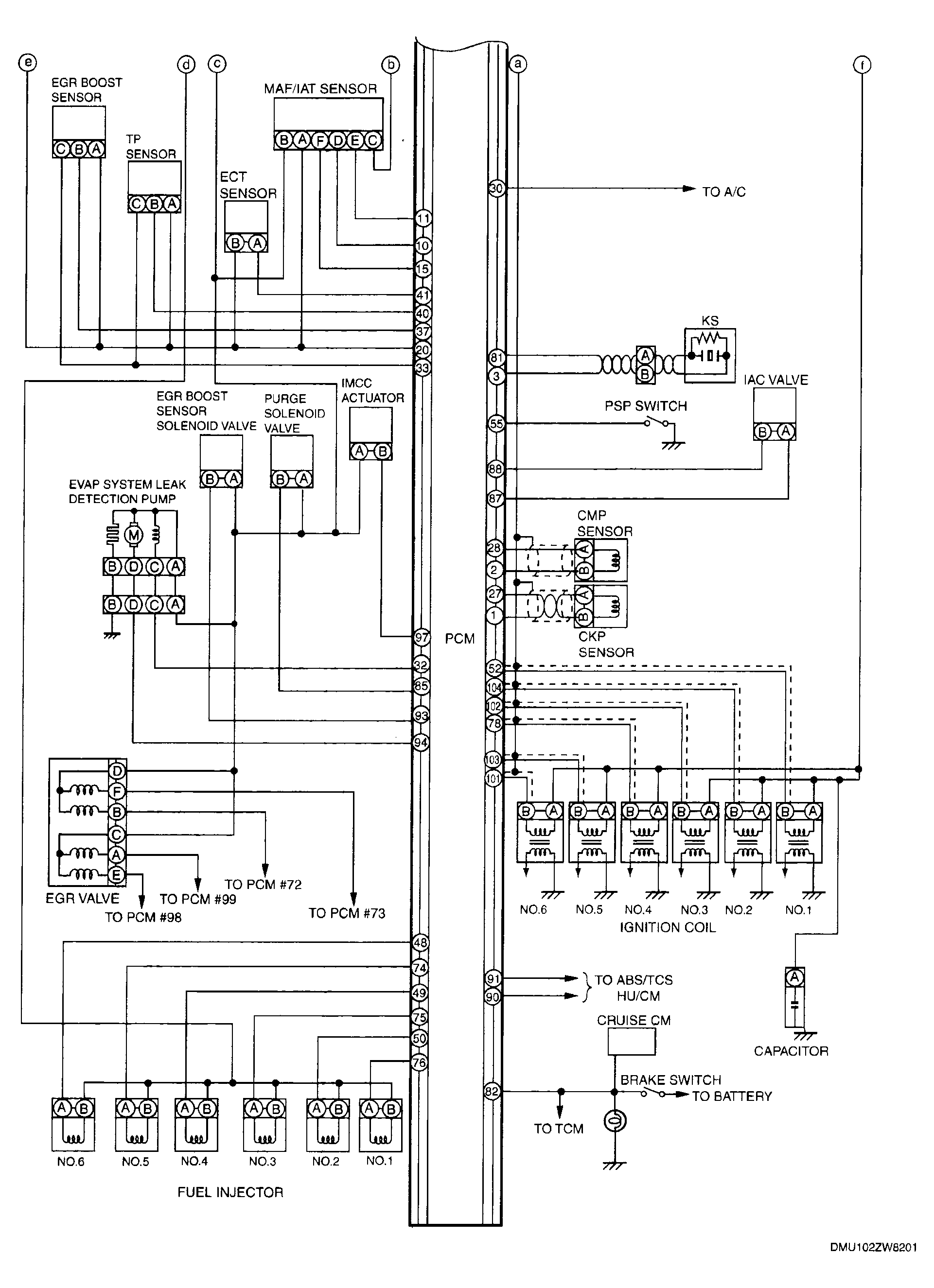
Fig 2: Control System Wiring Diagram - Without Immobilizer System (2 Of 2)
G04328298Courtesy of MAZDA MOTORS CORP.