LEMON Manuals: Even more car manuals for everyone: 1960-2025
Home >> Mazda >> 2006 >> MPV ES >> Repair and Diagnosis (Single Page) >> Engine Performance >> Engine Control Systems >> Control System Wiring Diagram >> Without immobilizer system
April 5, 2026: LEMON Manuals is launched! Read the announcement.

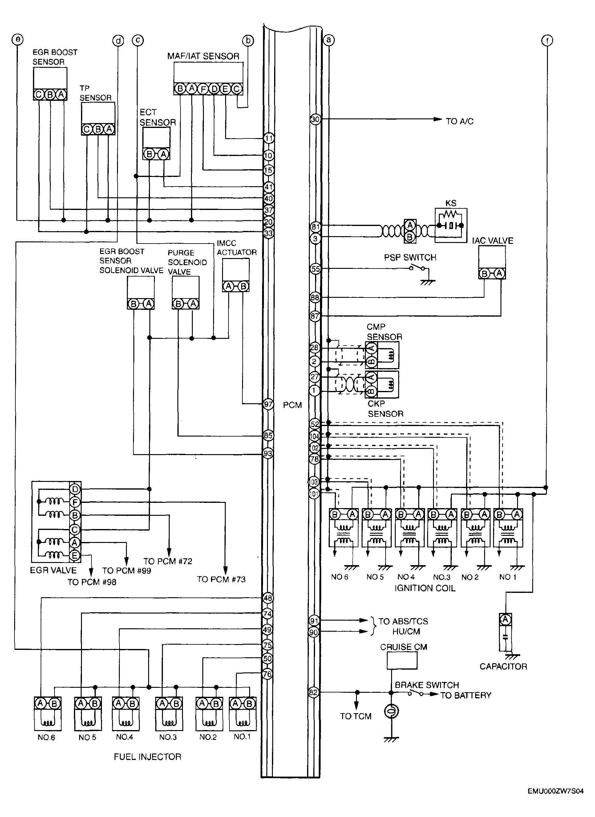
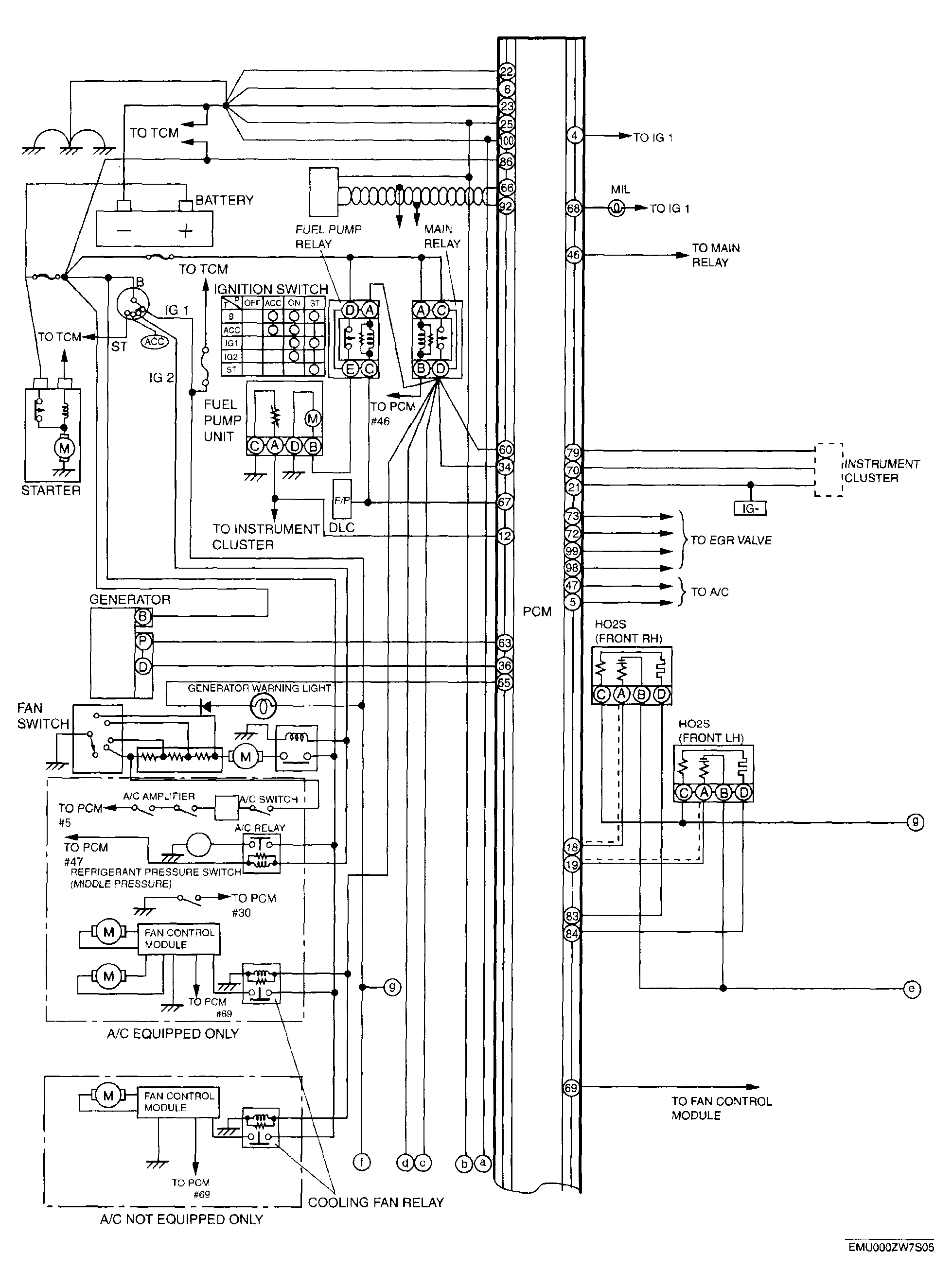
Without immobilizer system

Fig 1: Control System Wiring Diagram - Without Rear HO2S Model (Without Immobilizer System) (1 Of 2)
G04328301Courtesy of MAZDA MOTORS CORP.
Fig 2: Control System Wiring Diagram - Without Rear HO2S Model (Without Immobilizer System) (2 Of 2)
G04328302Courtesy of MAZDA MOTORS CORP.