LEMON Manuals: Even more car manuals for everyone: 1960-2025
Home >> Mazda >> 2007 >> 6 Mazdaspeed >> Repair and Diagnosis >> Engine Performance >> Engine Control Systems >> Engine Control System (L3 With TC) >> Control System Wiring Diagram
April 5, 2026: LEMON Manuals is launched! Read the announcement.

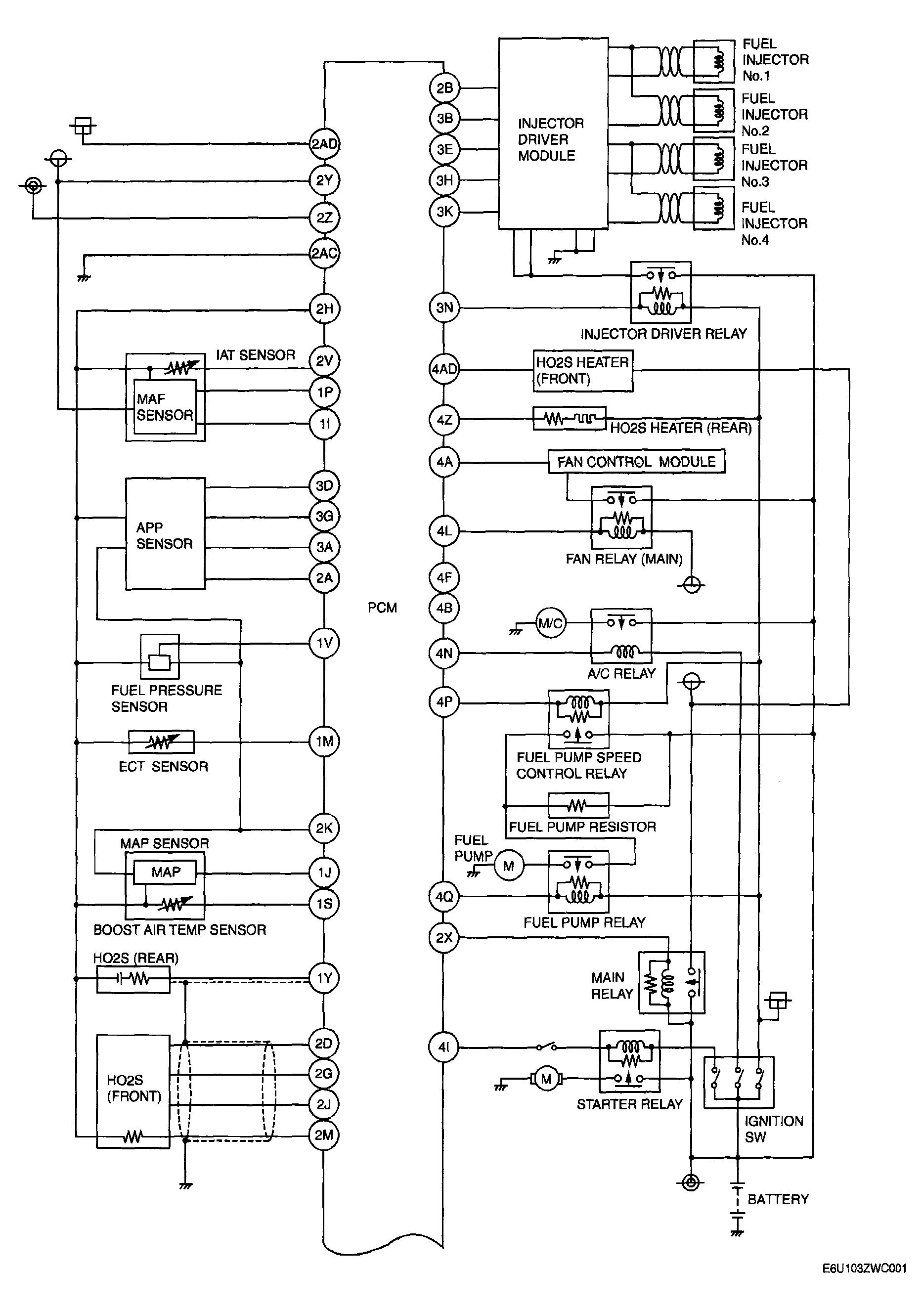
Control System Wiring Diagram

Fig 1: Control System Wiring Diagram [L3 With TC] (1 Of 2)
G04325203Courtesy of MAZDA MOTORS CORP.
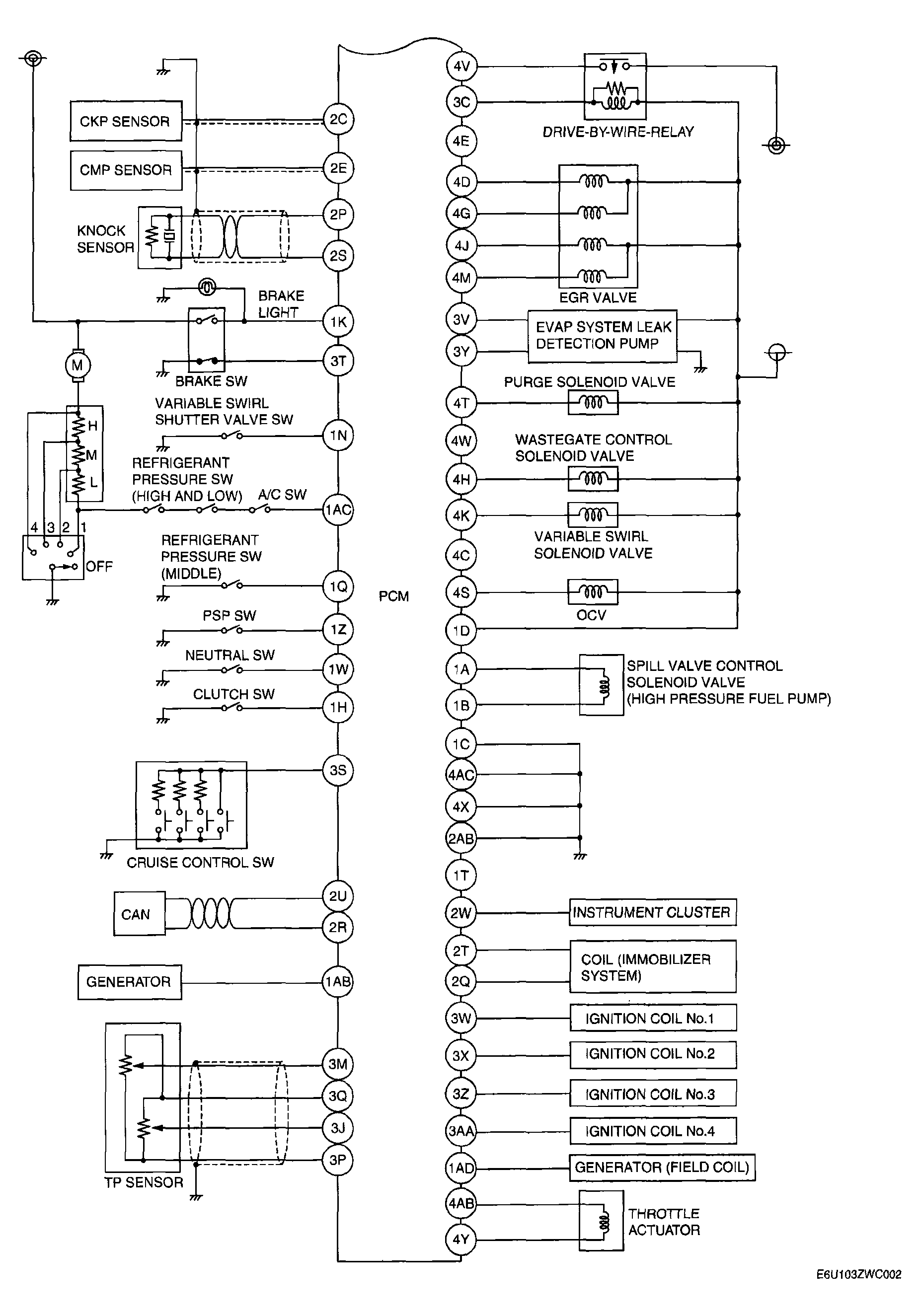
Fig 2: Control System Wiring Diagram [L3 With TC] (2 Of 2)
G04325204Courtesy of MAZDA MOTORS CORP.